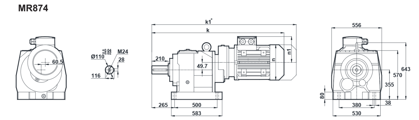
Соосный цилиндрический редуктор MR874, NR874 Номинальная мощность - 3,0 кВт Выходные обороты: 2,5 об/мин ... 10 об/мин
Номинальная мощность - 3,0 кВт
Выходные обороты: 2,5 об/мин ... 10 об/мин

Рациональность достигается, когда на данный привод возлагают: получение частоты вращения выходного вала 2,5 об/мин ... 10 об/мин (при минимальных требованиях к крутящему моменту), и достижение крутящего момента 8500Nm.
Гарантия - 2 года.
Сервис-фактор (fs)
Монтажные расположения
Применяемые типы масел
Условное обозначение
Каталог M-series
Обороты на выходном валу | Крутящий момент на выходном валу | Передаточное число | Радиальные нагрузки на выходной вал | Сервис фактор | Тип редуктора | Масса |
n2 (об/мин-1) | M2 (Нм) | i | Fr (Н) | fs | m (кг) | |
2,5 | 10328 | 353,03 | 67217 | 1,3 | MR874-132S/6 NR874-132S/6 | 605 610 |
3,1 | 8544 | 455,91 | 78844 | 1,5 | MR874-100L/4b NR874-100L/4b | 598 603 |
3,5 | 7493 | 399,05 | 84578 | 1,7 | ||
4,0 | 6639 | 353,03 | 88743 | 2,0 | ||
4,7 | 5624 | 298,37 | 93218 | 2,3 | ||
5,7 | 4617 | 244,71 | 97204 | 2,8 | ||
6,5 | 4084 | 216,11 | 99151 | 3,2 | ||
7,3 | 3635 | 192,08 | 100609 | 3,6 | ||
7,8 | 3371 | 178,4 | 101572 | 3,9 | ||
9,3 | 2855 | 150,75 | 103176 | 4,6 | ||
11 | 2436 | 128,37 | 104393 | 5,3 | ||
13 | 2090 | 109,88 | 105550 | 6,2 |


Вернуться к выбору мощностей
Соосно-цилиндрический мотор-редуктор MR874 и NR874 можно рассматривать как: полный аналог соосно-цилиндрических мотор-редукторов таких брэндов , как Varvel (Италия) , Motovario (Италия) , STM (Италия) , Transtecno (Италия) , Siti (Италия) , Tos Znojmo (Чехия) , Sew Eurodrive (Германия) , KEB (Германия) , PGR (Турция) и других .
Соосно-цилиндрический мотор-редуктор MR874 и NR874 можно рассматривать как: технический аналог соосных редукторов таких брэндов , как Bonfiglioli (Италия) , Innovari/Hydromec (Италия) , Watt Drive (Австрия) , Nord Getriebebau DriveSystems (Германия) , Bauer Gearmotors (Германия) , Lenze (Германия) .
Если вы хотите купить соосный цилиндрический редуктор MR874, NR874 , вы можете:
Позвонить:
Российская Федерация
+7 (495) 369-04-89
+7 (910) 726-725-4 (МТС) Смоленск
info@tech-privod.com
Республика Беларусь
+375 17 272-04-08 (т/ф) Минск
+375 29 61-787-61 (A1) Минск
+7 (495) 369-04-89
+7 (910) 726-725-4 (МТС) Смоленск
info@tech-privod.com
Республика Беларусь
+375 17 272-04-08 (т/ф) Минск
+375 29 61-787-61 (A1) Минск