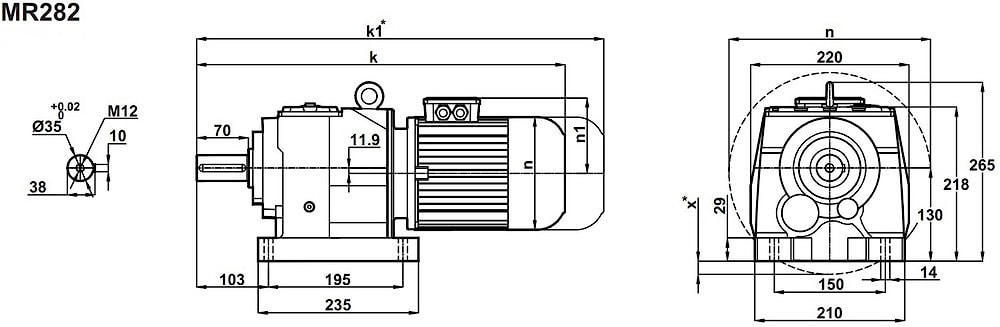
Соосный цилиндрический редуктор MR282, NR282 Номинальная мощность - 3,0 кВт Выходные обороты: 50 об/мин ... 385 об/мин
Номинальная мощность - 3,0 кВт
Выходные обороты: 50 об/мин ... 385 об/мин

Трансмиссия с исполнением на лапах, комбинированном и на фланце; предпочтительно для данного номинала использовать редуктор с передаточными значениями: i=3 ... i=25 (при минимальных требованиях к сервис-фактору).
Допустимый уровень радиальных нагрузок - 5000N.
Чугунный корпус моноблочного типа, технологически точное изготовление шестереночных колес; неприхотливый, износостойкий, экономичный привод.
Гарантия - 2 года.
Сервис-фактор (fs)
Монтажные расположения
Комбинированное исполнение (лапы, фланец)
Применяемые типы масел
Условное обозначение
Каталог M-series
Обороты на выходном валу | Крутящий момент на выходном валу | Передаточное число | Радиальные нагрузки на выходной вал | Сервис фактор | Тип редуктора | Масса |
n2 (об/мин-1) | M2 (Нм) | i | Fr (Н) | fs | m (кг) | |
55 | 496 | 25,23 | 4366 | 1,1 | MR282-100L/4b NR282-100L/4b | 55 57 |
65 | 425 | 21,66 | 4869 | 1,2 | ||
73 | 375 | 19,06 | 5191 | 1,3 | ||
83 | 333 | 16,91 | 5432 | 1,4 | ||
98 | 282 | 14,31 | 5652 | 1,6 | ||
114 | 242 | 12,24 | 5765 | 1,7 | ||
132 | 209 | 10,57 | 5456 | 2,0 | ||
146 | 190 | 9,61 | 5268 | 2,1 | ||
168 | 165 | 8,33 | 4996 | 2,4 | ||
194 | 143 | 7,21 | 4739 | 2,6 | ||
224 | 124 | 6,25 | 4565 | 2,9 | ||
262 | 106 | 5,35 | 4309 | 3,0 | ||
303 | 91 | 4,62 | 4083 | 3,1 | ||
333 | 83 | 4,2 | 3944 | 3,1 | ||
385 | 72 | 3,64 | 3744 | 3,3 |


Вернуться к выбору мощностей
Соосно-цилиндрический мотор-редуктор MR282(3) и NR2822(3) можно рассматривать как: полный аналог соосно-цилиндрических мотор-редукторов таких брэндов , как Varvel (Италия) , Motovario (Италия) , STM (Италия) , Transtecno (Италия) , Siti (Италия) , Tos Znojmo (Чехия) , Sew Eurodrive (Германия) , KEB (Германия) , PGR (Турция) и других .
Соосно-цилиндрический мотор-редуктор MR282(3) и NR282(3) можно рассматривать как: технический аналог соосных редукторов таких брэндов , как Bonfiglioli (Италия) , Innovari/Hydromec (Италия) , Watt Drive (Австрия) , Nord Getriebebau DriveSystems (Германия) , Bauer Gearmotors (Германия) , Lenze (Германия) .
Если вы хотите купить соосный цилиндрический редуктор MR282, NR282 , вы можете:
Позвонить:
Российская Федерация
+7 (495) 369-04-89
+7 (910) 726-725-4 (МТС) Смоленск
info@tech-privod.com
Республика Беларусь
+375 17 272-04-08 (т/ф) Минск
+375 29 61-787-61 (A1) Минск
+7 (495) 369-04-89
+7 (910) 726-725-4 (МТС) Смоленск
info@tech-privod.com
Республика Беларусь
+375 17 272-04-08 (т/ф) Минск
+375 29 61-787-61 (A1) Минск