Частотный преобразователь E5
Частотный преобразователь E5 – универсального назначения с использованием высокоточного векторного управления, что позволяет удерживать высокий пусковой момент, даже при нулевых значениях частоты вращения двигателя.Отметим, следующие достоинства инверторов Е5:
1) Векторное управление согласно параметрам момента, согласно параметрам скорости;
2) Широкий диапазон подаваемого напряжения, AC260V~480V, DC350V~750V;
3) Контроль скоростных характеристик двигателя;
4) Программирование, мультизадачность;
5) Встроенный PID-регулятор ;
6) Аналоговые входы (4-50мА), цифровые входы;
7) Интерфейс Modbus RS485; дистанционное управление, задание различных временных конфигурации;
Высокопроизводительное частотные преобразователи, разработанные на базе основополагающего векторного управления с простым интуитивным интерфейсом.
Габаритные размеры смотрите в условном обозначении.
Гарантийный срок: 15 месяцев
Условное обозначение серии E5
Технические характеристики серии E5
| Мощность (кВт) | 0,75 | 1,5 | 2,2 | 3,7 | 5,5 | 7,5 | 11 | 15 | 18,5 | 22 | 30 | 37 | 45 | 55 | 75 | |||
| Выход | Напряжение (В) | Трехфазное, пропорционально входному напряжению | ||||||||||||||||
| Токи (A) | 2,5 | 3,8 | 5,5 | 9 | 13 | 17 | 24 | 30 | 39 | 45 | 60 | 75 | 91 | 112 | 150 | |||
| Способность к перегрузкам | 150% в течении 1 минуты, 180% в течении 10 секунд, 200% в течении 0,5 секунд: | |||||||||||||||||
| Вход | Номинальный вольтаж/частота | 3-фазное 380V/480V; 50Hz/60Hz | ||||||||||||||||
| Допускаемое напряжение | 323В ~ 528В; Дисбаланс напряжения ≤3%; допустимые колебания частоты: ±5% | |||||||||||||||||
| Ном,токи (A) | 3,5 | 6,2 | 9,2 | 14,9 | 21,5 | 27,9 | 39 | 50,3 | 60 | 69,3 | 86 | 104 | 124 | 150 | 201 | |||
| Устройство торможения | Стандартно поставляются встроенными | Необходим внешний прерыватель | ||||||||||||||||
| Степень защиты | IP20 | |||||||||||||||||
| Охлаждение | Самовент. | Принудительное охлаждение | ||||||||||||||||
| Мощность (кВт) | 90 | 110 | 132 | 160 | 200 | 220 | 280 | 315 | 355 | 400 | |
| Выход | Напряжение (В) | Трехфазное, 0В до номинального значения входного напряжения | |||||||||
| Токи (A) | 176 | 210 | 253 | 304 | 377 | 415 | 520 | 585 | 650 | 740 | |
| Способность к перегрузкам | 150% в течении 1 минуты, 180% в течении 10 секунд, 200% в течении 0,5 секунд | ||||||||||
| Вход | Номинальный вольтаж/частота | 3-фазное 380V/480V; 50Hz/60Hz | |||||||||
| Допускаемое напряжение | 323В ~ 528В; Дисбаланс напряжения ≤3%; допустимые колебания частоты: ±5% | ||||||||||
| Ном,токи (A) | 160* | 196* | 232* | 282* | 352* | 385* | 491* | 552* | 624* | 704* | |
| Устройство торможения | Необходим внешний прерыватель | ||||||||||
| Степень защиты | IP20 | ||||||||||
| Охлаждение | Принудительное охлаждение | ||||||||||
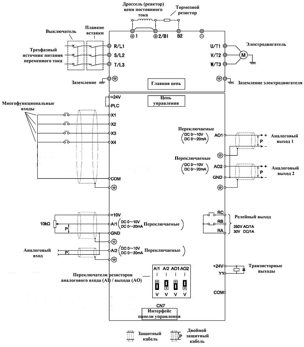
Схема подключения преобразователя частоты серии E5

Если вас заинтересовала представленная информация или вы не нашли нужный товар или услугу, пожалуйста, позвоните или отправьте запрос на консультацию:
Позвонить:
Российская Федерация
+7 (495) 369-04-89
+7 (910) 726-725-4 (МТС) Смоленск
info@tech-privod.com
Республика Беларусь
+375 17 272-04-08 (т/ф) Минск
+375 29 61-787-61 (A1) Минск
+7 (495) 369-04-89
+7 (910) 726-725-4 (МТС) Смоленск
info@tech-privod.com
Республика Беларусь
+375 17 272-04-08 (т/ф) Минск
+375 29 61-787-61 (A1) Минск
