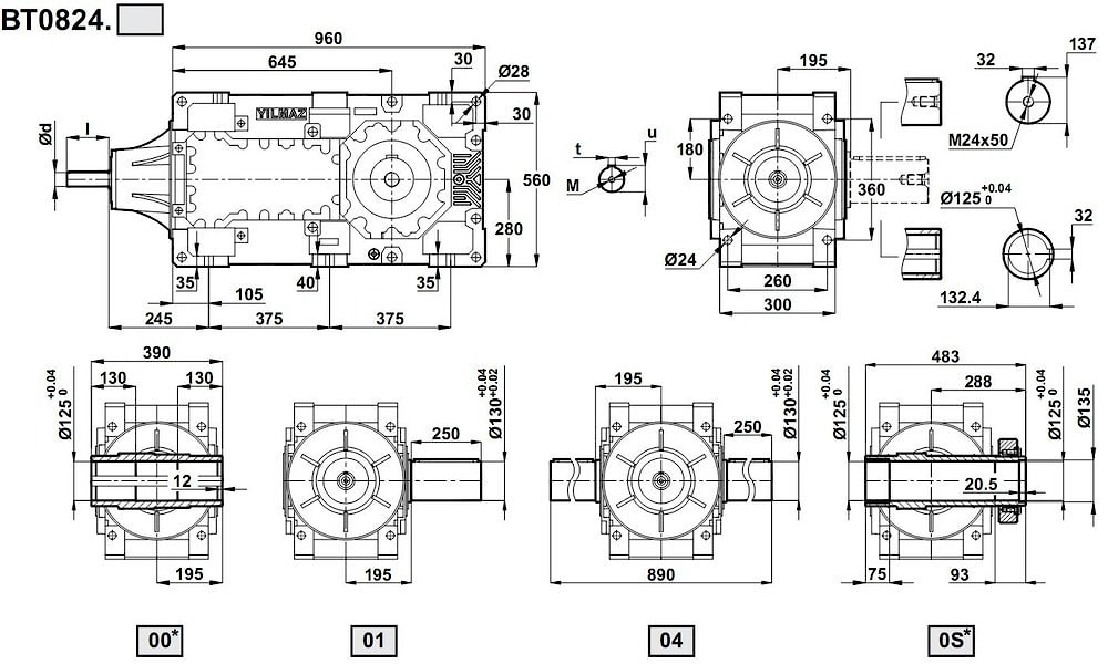
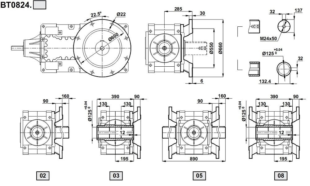
Четырехступенчатый редуктор BT0824 i = 76 ... 420
i = 76 ... 420
Высокие значения передаточных чисел: i=70 ~ i=400, и четырех стадийная редукция входной угловой скорости при номинальном крутящем моменте 23 kNm реализовано в индустриальном коническом редукторе BT 0824.Рекомендуемая подводимая мощность: 7,8 кВт - 49 кВт при оборотах на входе 1500 об/мин; 5,1 кВт - 31 кВт при оборотах на входе 1000 об/мин; 4,3 кВт - 26 кВт при оборотах на входе 750 об/мин; 2,6 кВт - 16 кВт при оборотах на входе 500 об/мин; 1,8 кВт - 11 кВт при оборотах на входе 300 об/мин.
Гарантия: 24 месяца.
| Номинальный крутящий момент | Передаточное число | Выходные обороты n2 | Номинальная мощность при сервис-факторе fs=1 | Тип | Допустимые радиальные нагрузки на | Вес | |
| n1=1400 | выходящий вал | входящий вал | |||||
| Ma max [Nm] | i | об/мин | kW | N | N | кг | |
| 24000 | 76,80 | 18 | 49 | BT0824 | 103 | 9,7 | 640 |
| 24000 | 89,12 | 16 | 42 | 103 | 9,7 | ||
| 24000 | 96,37 | 15 | 39 | 103 | 9,7 | ||
| 24000 | 115,67 | 12 | 32 | 103 | 9,7 | ||
| 24000 | 134,40 | 10 | 28 | 103 | 9,7 | ||
| 24000 | 145,63 | 9,6 | 26 | 103 | 9,7 | ||
| 19000 | 162,08 | 8,6 | 19 | 103 | 4,1 | ||
| 22800 | 194,54 | 7,2 | 19 | 103 | 5,8 | ||
| 24000 | 226,03 | 6,2 | 17 | 103 | 5,8 | ||
| 24000 | 244,93 | 5,7 | 16 | 103 | 5,8 | ||
| 22900 | 302,11 | 4,6 | 12 | 103 | 5,8 | ||
| 19550 | 360,78 | 3,9 | 8,7 | 103 | 5,8 | ||
| 19850 | 418,92 | 3,3 | 7,8 | 103 | 5,8 | ||


Если вы хотите купить четырехступенчатый редуктор BT0824 , вы можете:
Позвонить:
Российская Федерация
+7 (495) 369-04-89
+7 (910) 726-725-4 (МТС) Смоленск
info@tech-privod.com
Республика Беларусь
+375 17 272-04-08 (т/ф) Минск
+375 29 61-787-61 (A1) Минск
+7 (495) 369-04-89
+7 (910) 726-725-4 (МТС) Смоленск
info@tech-privod.com
Республика Беларусь
+375 17 272-04-08 (т/ф) Минск
+375 29 61-787-61 (A1) Минск
