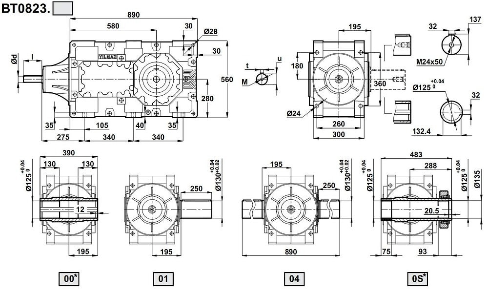
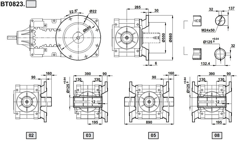
Трехступенчатый редуктор BT0823 i = 15 ... 75
i = 15 ... 75
Трехступенчатый коническо-цилиндрическая зубчатая передача индустриального назначения BT 0823 , с номинальным крутящим моментом 20 кНм , передаточные числа: 15/1 , 17/1 , 19/1 , 21/1 , 22,5/1 , 24/1 , 26,5/1 , 31/1 , 35/1 , 39/1 , 43/1 , 49/1 , 57/1 , 63/1 , 58/1 , 74/1 .Номинальная мощность: 39 кВт - 140 кВт при входных скоростях вала - 1400 об/мин, 25 кВт - 100 кВт при входных скоростях вала - 900 об/мин, 21 кВт - 84 кВт при входных скоростях вала - 750 об/мин, 13 кВт - 51 кВт при входных скоростях вала - 450 об/мин, 8,9 кВт - 34 кВт при входных скоростях вала - 300 об/мин.
| Номинальный крутящий момент | Передаточное число | Выходные обороты n2 | Номинальная мощность при сервис-факторе fs=1 | Тип | Допустимые радиальные нагрузки на | Вес | |
| n1=1400 | выходящий вал | входящий вал | |||||
| Ma max [Nm] | i | об/мин | kW | kN | kN | кг | |
| 14050 | 15,26 | 92 | 140 | BT0823 | 103 | 17 | 600 |
| 15650 | 17,69 | 79 | 134 | 103 | 17 | ||
| 16500 | 19,10 | 73 | 131 | 103 | 17 | ||
| 17400 | 20,66 | 68 | 128 | 103 | 17 | ||
| 18400 | 22,41 | 62 | 125 | 103 | 17 | ||
| 19400 | 24,38 | 57 | 121 | 103 | 17 | ||
| 20500 | 26,61 | 53 | 117 | 103 | 17 | ||
| 22500 | 30,85 | 45 | 111 | 103 | 17 | ||
| 18700 | 35,68 | 39 | 80 | 103 | 17 | ||
| 15350 | 39,22 | 36 | 60 | 103 | 12 | ||
| 16750 | 42,81 | 33 | 60 | 103 | 12 | ||
| 19450 | 49,62 | 28 | 60 | 103 | 12 | ||
| 22150 | 57,40 | 24 | 60 | 103 | 12 | ||
| 20600 | 62,94 | 22 | 50 | 103 | 12 | ||
| 19500 | 68,11 | 21 | 44 | 103 | 12 | ||
| 18400 | 74,01 | 19 | 39 | 103 | 12 | ||


Если вы хотите купить трехступенчатый редуктор BT0823 , вы можете:
Позвонить:
Российская Федерация
+7 (495) 369-04-89
+7 (910) 726-725-4 (МТС) Смоленск
info@tech-privod.com
Республика Беларусь
+375 17 272-04-08 (т/ф) Минск
+375 29 61-787-61 (A1) Минск
+7 (495) 369-04-89
+7 (910) 726-725-4 (МТС) Смоленск
info@tech-privod.com
Республика Беларусь
+375 17 272-04-08 (т/ф) Минск
+375 29 61-787-61 (A1) Минск
