Соосный цилиндрический редуктор MR172, NR172 Номинальная мощность - 2,2 кВт Выходные обороты: 110 об/мин ... 415 об/мин
Номинальная мощность - 2,2 кВт
Выходные обороты: 110 об/мин ... 415 об/мин

Номинальная подводимая мощность 2,2кВт (220V или 380V).
Скорость вращения выходного вала 110 ... 415 об/мин (если придерживаться рационального сервис фактора).
Номинальный крутящий момент: 180 Нм.
Допустимые радиальные нагрузки на выходной вал до 1400N.
Гарантия от производителя - 2 года
Сервис-фактор (fs)
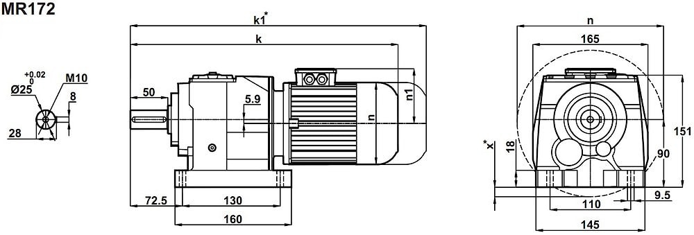
Монтажные расположения
Комбинированное исполнение (лапы, фланец)
Применяемые типы масел
Условное обозначение
Каталог M-series
Обороты на выходном валу | Крутящий момент на выходном валу | Передаточное число | Радиальные нагрузки на выходной вал | Сервис фактор | Тип редуктора | Масса |
n2 (об/мин-1) | M2 (Нм) | i | Fr (Н) | fs | m (кг) | |
77 | 263 | 18,28 | 592 | 0,8 | MR172-100L/4a NR172-100L/4a | 30,5 32,5 |
82 | 247 | 17,14 | 768 | 0,8 | ||
96 | 210 | 14,57 | 1147 | 0,9 | ||
111 | 183 | 12,66 | 1408 | 1,0 | ||
126 | 160 | 11,08 | 1607 | 1,1 | ||
147 | 138 | 9,53 | 1474 | 1,2 | ||
157 | 129 | 8,94 | 1554 | 1,3 | ||
184 | 110 | 7,60 | 1719 | 1,5 | ||
212 | 96 | 6,60 | 1825 | 1,5 | ||
242 | 84 | 5,78 | 1898 | 1,6 | ||
293 | 69 | 4,78 | 1965 | 1,9 | ||
343 | 59 | 4,09 | 1887 | 2,0 | ||
414 | 49 | 3,38 | 1913 | 2,2 |


Вернуться к выбору мощностей
Соосно-цилиндрический мотор-редуктор MR172(3) и NR172(3) можно рассматривать как: полный аналог соосно-цилиндрических мотор-редукторов таких брэндов , как Varvel (Италия) , Motovario (Италия) , STM (Италия) , Transtecno (Италия) , Siti (Италия) , Tos Znojmo (Чехия) , Sew Eurodrive (Германия) , KEB (Германия) , PGR (Турция) и других .
Соосно-цилиндрический мотор-редуктор MR172(3) и NR172(3) можно рассматривать как: технический аналог соосных редукторов таких брэндов , как Bonfiglioli (Италия) , Innovari/Hydromec (Италия) , Watt Drive (Австрия) , Nord Getriebebau DriveSystems (Германия) , Bauer Gearmotors (Германия) , Lenze (Германия) .
Если вы хотите купить соосный цилиндрический редуктор MR172, NR172 , вы можете:
Позвонить:
Российская Федерация
+7 (495) 369-04-89
+7 (910) 726-725-4 (МТС) Смоленск
info@tech-privod.com
Республика Беларусь
+375 17 272-04-08 (т/ф) Минск
+375 29 61-787-61 (A1) Минск
+7 (495) 369-04-89
+7 (910) 726-725-4 (МТС) Смоленск
info@tech-privod.com
Республика Беларусь
+375 17 272-04-08 (т/ф) Минск
+375 29 61-787-61 (A1) Минск