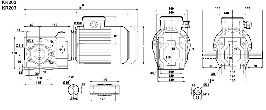
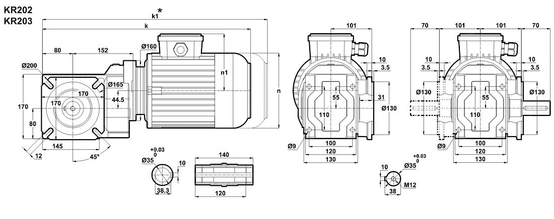
Конические редукторы KR202 и KR203 64 об/мин ... 530 об/мин
64 об/мин ... 530 об/мин

Условное обозначение
Каталог K-series
Обороты на выходном валу | Крутящий момент на выходном валу | Передаточное число | Радиальные нагрузки на выходной вал | Сервис фактор | Тип редуктора | Масса |
n2 (об/мин-1) | M2 (Нм) | i | Fr (Н) | fs | m (кг) | |
64 | 312 | 22,06 | 3075 | 0,8 | KR203-100L/4a | 29 |
92 | 219 | 15,26 | 3611 | 1,2 | KR202-100L/4a | 28 |
98 | 205 | 14,32 | 3608 | 1,2 | ||
115 | 174 | 12,17 | 3581 | 1,4 | ||
132 | 152 | 10,57 | 3536 | 1,5 | ||
151 | 133 | 9,25 | 3481 | 1,7 | ||
183 | 110 | 7,65 | 3386 | 2,0 | ||
220 | 92 | 6,38 | 3280 | 2,2 | ||
262 | 77 | 5,35 | 3169 | 2,5 | ||
303 | 66 | 9,25 | 3074 | 2,8 | KR202-90L/2 | 25 |
366 | 55 | 7,65 | 3944 | 3,2 | ||
439 | 46 | 6,38 | 2817 | 3,6 | ||
524 | 38 | 5,35 | 2693 | 4,0 |


Вернуться к выбору мощностей
Если вы хотите купить конические редукторы KR202 и KR203 , вы можете:
Позвонить:
Российская Федерация
+7 (495) 369-04-89
+7 (910) 726-725-4 (МТС) Смоленск
info@tech-privod.com
Республика Беларусь
+375 17 272-04-08 (т/ф) Минск
+375 29 61-787-61 (A1) Минск
+7 (495) 369-04-89
+7 (910) 726-725-4 (МТС) Смоленск
info@tech-privod.com
Республика Беларусь
+375 17 272-04-08 (т/ф) Минск
+375 29 61-787-61 (A1) Минск