Конические редукторы KR373 25 об/мин... 75 об/мин
25 об/мин... 75 об/мин
Многоступенчатый коническо-цилиндрический мотор-редуктор тип KR373-100L/4a призван для функционирования от двигателя переменного или постоянного тока мощностью в 2,2кВт, обслуживаемые скорости тихоходного вала от 20 - 80 оборотов в минуту.Передаваемый крутящий момент - 300Нм - 950Нм.
Привод обладает рядом эксплуатационных преимуществ: так усовершенствована система охлаждения редуктора, имеются стандартные горловины для смены, учета и контроля смазки, разнообразные крепежные устройства и элементы: выходные фланцы, полнотелые валы, реактивные штанги и другое.
За счет этой системы факторов гарантийный срок модели увеличен, и составляет - 2 года.
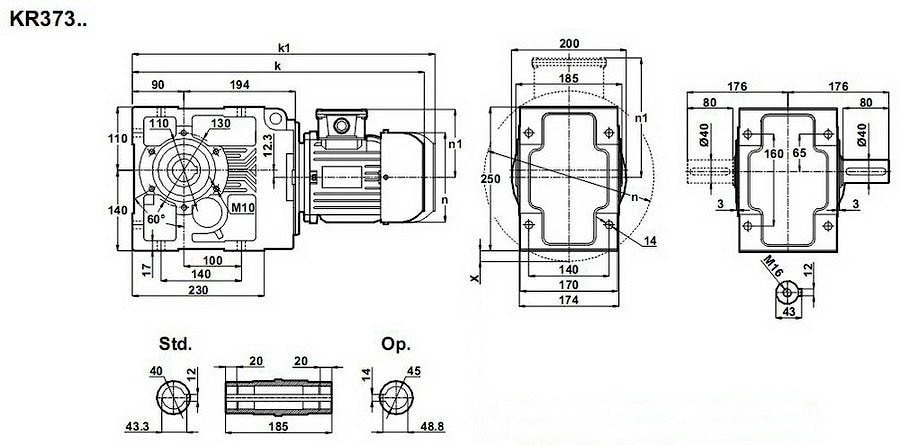
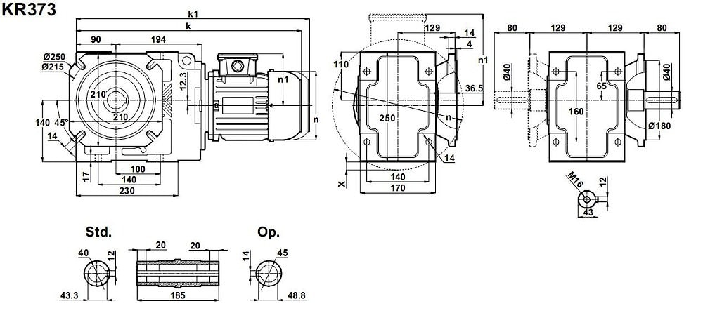
Условное обозначение
Каталог K-series
| Обороты на выходном валу | Крутящий момент на выходном валу | Передаточное число | Радиальные нагрузки на выходной вал | Сервис фактор | Тип редуктора | Масса |
| n2 (об/мин-1) | M2 (Нм) | i | Fr (Н) | fs | m (кг) | |
| 18 | 1104 | 78,29 | 4815 | 0,7 | KR373-100L/4a | 59 |
| 20 | 968 | 68,65 | 8060 | 0,8 | ||
| 23 | 856 | 60,69 | 9908 | 1,0 | ||
| 27 | 720 | 51,05 | 11589 | 1,1 | ||
| 32 | 612 | 43,4 | 12697 | 1,3 | ||
| 38 | 525 | 37,19 | 13469 | 1,6 | ||
| 42 | 475 | 33,65 | 13865 | 1,7 | ||
| 49 | 407 | 28,85 | 14389 | 2,0 | ||
| 57 | 349 | 24,72 | 14793 | 2,4 | ||
| 64 | 309 | 21,9 | 15050 | 2,7 | ||
| 75 | 263 | 18,62 | 15313 | 3,1 |


Вернуться к выбору мощностей
Мотор-редуктор KR373 - является полным аналогом мотор-редуктора КТМ43 и МВН80 (производства Tos-Znoimo (Чешская Республика) и Siti (Италия) , анагогами, с приближенными размерностями, мотор-редукторов ТС112В , ТF112В (производитель -Tramec (Италия)) , мотор-редукторов А 41 2 и А 41 3 от Bonfiglioli (Италия), тенхническими заменителями мотор-редукторов SK9022.1 , SK9022.1 , SK9022.1 AZ (производства NORD (Германия)), В083 (от Motovario).
Редуктор КТ373 можно использовать как аналогичный (приближенный к присоеденительным размерам) редуктору КЦ1-200 российского производства , привода ТА90В (производимого Tramec (Италия)), технический аналог редукторам ВН80 (произведенных под маркой Siti (Италия)).
Если вы хотите купить конические редукторы KR373 , вы можете:
Позвонить:
Российская Федерация
+7 (495) 369-04-89
+7 (910) 726-725-4 (МТС) Смоленск
info@tech-privod.com
Республика Беларусь
+375 17 272-04-08 (т/ф) Минск
+375 29 61-787-61 (A1) Минск
+7 (495) 369-04-89
+7 (910) 726-725-4 (МТС) Смоленск
info@tech-privod.com
Республика Беларусь
+375 17 272-04-08 (т/ф) Минск
+375 29 61-787-61 (A1) Минск
