Конические редукторы KR774 2,5 об/мин... 8,0 об/мин
2,5 об/мин... 8,0 об/мин

передаточные числа i= 180, i= 200, i= 240, i= 280, i= 300, i= 350, i= 400.
Достигаемые крутящие моменты: 2500 - 7500 Нм.
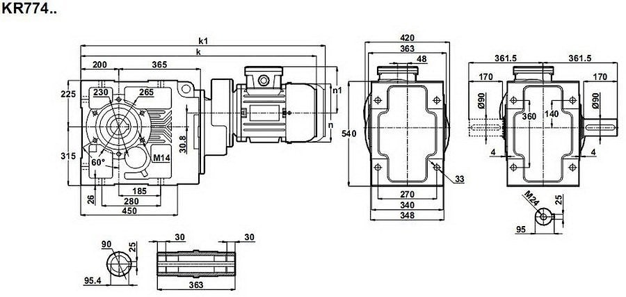
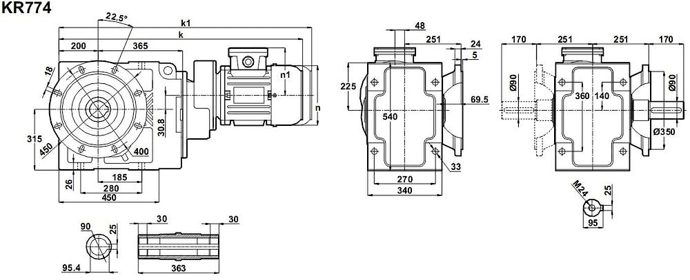
Прочный литой цельный корпус. Комплектуется с реактивной штангой, выходными фланцами, полым валом и др. Имеется возможность адаптации привода под Ваши посадочные размеры.
Условное обозначение
Каталог K-series
Обороты на выходном валу | Крутящий момент на выходном валу | Передаточное число | Радиальные нагрузки на выходной вал | Сервис фактор | Тип редуктора | Масса |
n2 (об/мин-1) | M2 (Нм) | i | Fr (Н) | fs | m (кг) | |
2,3 | 8474 | 396,00 | 66279 | 0,9 | KR774-112M/6 | 430 |
2,5 | 7584 | 354,32 | 70455 | 1,1 | ||
2,9 | 6672 | 311,14 | 74276 | 1,2 | ||
3,2 | 5975 | 278,35 | 76920 | 1,3 | ||
3,5 | 5447 | 396,00 | 78783 | 1,5 | KR774-100L/4a | 432 |
4,0 | 4875 | 354,32 | 80674 | 1,6 | ||
4,5 | 4289 | 311,14 | 82418 | 1,9 | ||
5,0 | 3841 | 278,35 | 83871 | 2,1 | ||
5,8 | 3318 | 240,71 | 85223 | 2,4 | ||
6,7 | 2877 | 208,42 | 86363 | 2,8 | ||
7,7 | 2520 | 182,29 | 87245 | 3,2 |


Вернуться к выбору мощностей
Мотор-редуктор KR774 - является полным аналогом мотор-редукторов: МВН160 (Siti (Италия)) , В153 (Motovario (Италия) , SK9062.1 / 32 - , SK9062.1 / 32 VF , SK9062.1 / 32 AZ , SK9062.1 / 42 - , SK9062.1 / 42 VF , SK9062.1 / 42 AZ (Nord (Германия) , анагогами, с приближенными размерностями, мотор-редукторов ТС180С , ТF180С , ТС200С , ТF200С (производитель -Tramec (Италия)) , VFR250 , A 804 (Bonfiglioli (Италия), CRMI-130/180 (выпускаемой Stm (Италия).
Редуктор КТ774 можно рассматривать как аналогичный редукторам ТА180С , ТА200С (производства Tramec (Италия)), КЦ1-400 , КЦ2-750 (российских заводов) , технический аналог ВН160 (произведенных под маркой Siti (Италия)).
Если вы хотите купить конические редукторы KR774 , вы можете:
Позвонить:
Российская Федерация
+7 (495) 369-04-89
+7 (910) 726-725-4 (МТС) Смоленск
info@tech-privod.com
Республика Беларусь
+375 17 272-04-08 (т/ф) Минск
+375 29 61-787-61 (A1) Минск
+7 (495) 369-04-89
+7 (910) 726-725-4 (МТС) Смоленск
info@tech-privod.com
Республика Беларусь
+375 17 272-04-08 (т/ф) Минск
+375 29 61-787-61 (A1) Минск