Конические редукторы KR473 15 об/мин... 45 об/мин
15 об/мин... 45 об/мин
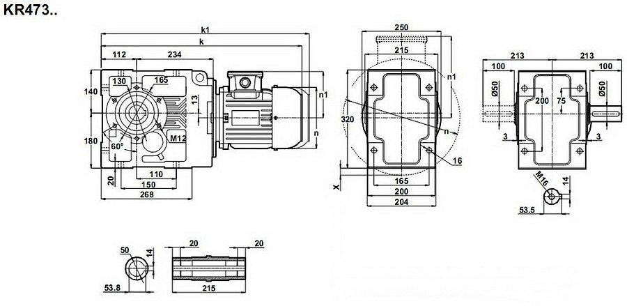
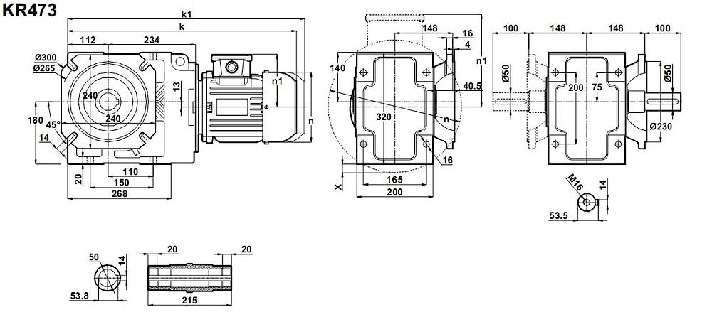
Конические передачи служат для пере направления под прямым углом подводимой мощности и передаваемой мощности.Предлагается коническо-цилиндрический мотор-редуктор KR473-100L/4a
Эквивалентная мощность двигателя - 2,2 кВт.
Выходные обороты: 14 ~ 46 оборотов в минуту.
Передаваемые крутящие моменты: 500 - 1500 ньютонов на метр.
Гарантия - 2 года.
Условное обозначение
Каталог K-series
| Обороты на выходном валу | Крутящий момент на выходном валу | Передаточное число | Радиальные нагрузки на выходной вал | Сервис фактор | Тип редуктора | Масса |
| n2 (об/мин-1) | M2 (Нм) | i | Fr (Н) | fs | m (кг) | |
| 13 | 1661 | 110,65 | 14403 | 0,9 | KR473-100L/4a | 93 |
| 14 | 1467 | 97,79 | 16352 | 1,1 | ||
| 16 | 1313 | 87,49 | 17664 | 1,2 | ||
| 18 | 1153 | 76,83 | 18909 | 1,3 | ||
| 22 | 963 | 64,17 | 20161 | 1,6 | ||
| 23 | 910 | 60,63 | 20482 | 1,7 | ||
| 24 | 888 | 59,19 | 20610 | 1,7 | ||
| 27 | 769 | 51,22 | 21320 | 2,0 | ||
| 31 | 670 | 44,64 | 21841 | 2,3 | ||
| 36 | 587 | 39,11 | 22252 | 2,6 | ||
| 46 | 452 | 30,11 | 22843 | 3,4 |


Вернуться к выбору мощностей
Мотор-редуктор KR473 - полный аналог мотор-редуктора B103 (от Motovario (Италия)) КТМ53 (Tos-Znojmo (Чехия) МВН100 (Siti (Италия) мотор-редукторов SK9032.1 , SK9032.1 VF , SK9032/1 AZ (NORD (Германия), можно рассматривать как технический аналог мотор-редукторов марок RMI150, RMI150FL , WMI150 (выпускаемых STM (Италия) , MRT150A , MRT150A-FT , MRT150-FF (производство Tos Znojmo (Чехия) , MI150 и MI150-F (произведенных Siti (Италия), MRS150 , MRT150 , SRS150 , SRT150 , 7МЧ-М-150 (производства Varvel (Италия)/Приводная техника (Россия)), мотор-редукторов VF150, А502 и А503 (Bonfiglioli (Италия)).
Редуктор КТ473 можно использовать как технический аналог редуктору КЦ1-250 (российского производства) , привода ВН100 ( произведенных под маркой Siti (Италия)).
Если вы хотите купить конические редукторы KR473 , вы можете:
Позвонить:
Российская Федерация
+7 (495) 369-04-89
+7 (910) 726-725-4 (МТС) Смоленск
info@tech-privod.com
Республика Беларусь
+375 17 272-04-08 (т/ф) Минск
+375 29 61-787-61 (A1) Минск
+7 (495) 369-04-89
+7 (910) 726-725-4 (МТС) Смоленск
info@tech-privod.com
Республика Беларусь
+375 17 272-04-08 (т/ф) Минск
+375 29 61-787-61 (A1) Минск
