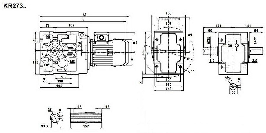
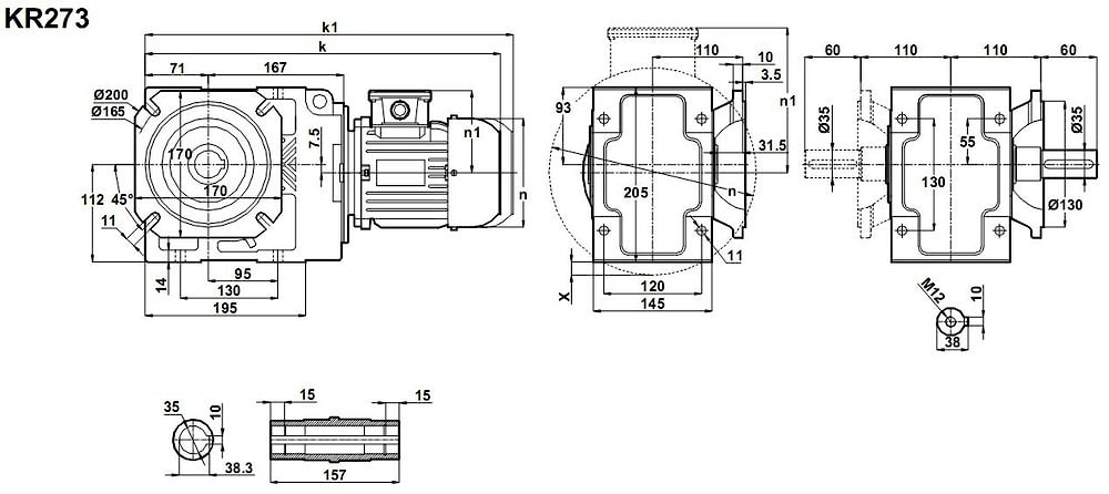
Конические редукторы KR273 45 об/мин... 400 об/мин
45 об/мин... 400 об/мин
Трех ступенчатый цилиндрический конический мотор-редуктор - KR273-90L/2 и KR273-100L/4a.Разно полюсной трехфазный электродвигатель - 2,2 кВт переменного тока - 380 В.
Выходные обороты: 32 - 404 оборотов в минуту.
Передаваемые крутящие моменты: 50 - 400 Нм.
Допустимые радиально-осевые нагрузки: 5000 Н.
Прочный моноблочный корпус, удобство монтажа и эксплуатации, множество крепежных и присоединительных устройств и элементов.
Условное обозначение
Каталог K-series
| Обороты на выходном валу | Крутящий момент на выходном валу | Передаточное число | Радиальные нагрузки на выходной вал | Сервис фактор | Тип редуктора | Масса |
| n2 (об/мин-1) | M2 (Нм) | i | Fr (Н) | fs | m (кг) | |
| 32 | 623 | 44,20 | 6195 | 0,7 | KR273-100L/4a | 45,5 |
| 38 | 516 | 36,55 | 6341 | 0,9 | ||
| 46 | 430 | 30,48 | 6386 | 1,0 | ||
| 55 | 360 | 25,55 | 6361 | 1,2 | ||
| 61 | 326 | 23,08 | 6321 | 1,3 | ||
| 73 | 269 | 19,08 | 6208 | 1,4 | ||
| 88 | 225 | 15,92 | 6061 | 1,6 | ||
| 105 | 188 | 13,34 | 5892 | 1,9 | ||
| 117 | 169 | 12,00 | 5578 | 1,5 | ||
| 141 | 140 | 9,92 | 5401 | 1,7 | ||
| 169 | 117 | 8,28 | 5215 | 2,0 | ||
| 202 | 98 | 6,94 | 5024 | 2,2 | ||
| 210 | 94 | 13,34 | 5892 | 3,2 | KR273-90L/2 | 42 |
| 233 | 85 | 12,00 | 5578 | 2,6 | ||
| 282 | 70 | 9,92 | 5401 | 3,0 | ||
| 338 | 58 | 8,28 | 5215 | 3,4 | ||
| 404 | 49 | 6,94 | 5024 | 3,9 |


Вернуться к выбору мощностей
Мотор-редуктор KR273 - является полным аналогом мотор-редуктора КТМ33 и МВН63 (производства Tos-Znoimo (Чешская Республика) и Siti (Италия) , анагогами ( с приближенными размерностями ) мотор-редукторов ТС90В , ТF90В (производитель -Tramec (Италия)) , мотор-редукторов А 35 2 и А 35 3 , А 30 2 и А 30 3 от Bonfiglioli (Италия), B063 , BA72 , BA73 (производства Motovario (Италия), техническими заменителями мотор-редукторов SK92772 , SK92772 VF , SK92772 AX , SK9012.1 , SK9012.1 VF , SK9012.1 AX , SK9016.1 , SK9016.1 VF , SK9016.1 AX(производства NORD (Германия)).
Редуктор КТ273 можно использовать как аналог редуктора ВН63 производства Siti (Италия), и аналог привода ТА90В , производимого Tramec (Италия)
Если вы хотите купить конические редукторы KR273 , вы можете:
Позвонить:
Российская Федерация
+7 (495) 369-04-89
+7 (910) 726-725-4 (МТС) Смоленск
info@tech-privod.com
Республика Беларусь
+375 17 272-04-08 (т/ф) Минск
+375 29 61-787-61 (A1) Минск
+7 (495) 369-04-89
+7 (910) 726-725-4 (МТС) Смоленск
info@tech-privod.com
Республика Беларусь
+375 17 272-04-08 (т/ф) Минск
+375 29 61-787-61 (A1) Минск
