Конические редукторы KR673 7,0 об/мин... 11 об/мин
7,0 об/мин... 11 об/мин
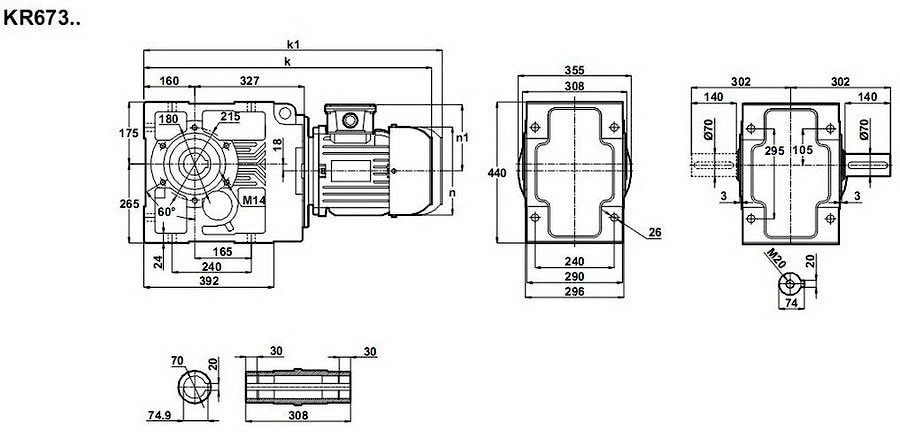
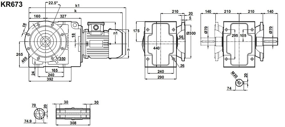
Коническо-цилиндрический мотор-редуктор KR673-112M/6 - низко оборотистый привод с подводимой номинальной мощностью - 2,2 кВт.Скорость оборотов конца выходного вала 7,0 - 11 об/мин.
Вращающий момент, передаваемый исполнительному механизму: 2000 - 3000 Нм.
Предельный радиально осевой уровень нагрузок, прилагаемый к выходным валам - 45000 Н.
Исполнения: с полым валом, с фланцем(и), с цельным(и) валам(и).
Условное обозначение
Каталог K-series
| Обороты на выходном валу | Крутящий момент на выходном валу | Передаточное число | Радиальные нагрузки на выходной вал | Сервис фактор | Тип редуктора | Масса |
| n2 (об/мин-1) | M2 (Нм) | i | Fr (Н) | fs | m (кг) | |
| 7,0 | 2994 | 128,24 | 42196 | 1,4 | KR673-112M/6 | 252 |
| 8,9 | 2356 | 100,90 | 45465 | 1,8 | ||
| 10 | 2106 | 90,21 | 46605 | 2,0 | ||
| 11 | 1876 | 80,38 | 47591 | 2,3 |


Вернуться к выбору мощностей
Мотор-редуктор KR673 - полный аналог мотор-редуктора B143 (от Motovario (Италия)) , МВН140 (Siti (Италия) мотор-редукторов SK9052.1 , SK9052.1 VF , SK9052.1 AZ (Nord (Германия), можно рассматривать как технический аналог мотор-редукторов марок ТС180В , TF180В (марки от Tramec (Италия)) VF210 , A703 (производства Bonfiglioli (Италия)).
Редуктор КТ673 можно рассматривать как аналогичный редуктору КЦ2-500 российского производства , редуктора ТА180В, ТС180В , ТF180В , производимого Tramec (Италия), аналог редуктора RT180A и RТ180A-FF производства Tos-Znojmo (Чехия), технический аналог редукторам ВН140, МВН140, произведенных под маркой Siti (Италия) и технический аналог редукторам КЦ1-300 , КЦ2-160Н производителя "Зарем"
Если вы хотите купить конические редукторы KR673 , вы можете:
Позвонить:
Российская Федерация
+7 (495) 369-04-89
+7 (910) 726-725-4 (МТС) Смоленск
info@tech-privod.com
Республика Беларусь
+375 17 272-04-08 (т/ф) Минск
+375 29 61-787-61 (A1) Минск
+7 (495) 369-04-89
+7 (910) 726-725-4 (МТС) Смоленск
info@tech-privod.com
Республика Беларусь
+375 17 272-04-08 (т/ф) Минск
+375 29 61-787-61 (A1) Минск
