Конические редукторы KR573 8,0 об/мин... 25 об/мин
8,0 об/мин... 25 об/мин
Пятая величина конического трехступенчатого мотор-редуктора KR - маркируется KR573-100L/4a и KR573-112M/6.Применяются электродвигатели 2,2/1500 и 2,2/1000.
Редуктор предназначен для передачи крутящего момента - 900 - 2500 Нм.
Передаточные значения: i= 60, i= 70, i= 80, i= 95, i= 110, i= 125.
В литом прочном корпусе располагается цилиндрическо-коническая зубчатая передача и доводит передаваемую мощность до исполнительных механизмов.
Гарантийные обязательства - 24 месяца.
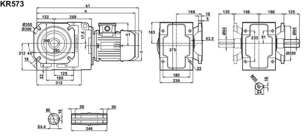
Условное обозначение
Каталог K-series
| Обороты на выходном валу | Крутящий момент на выходном валу | Передаточное число | Радиальные нагрузки на выходной вал | Сервис фактор | Тип редуктора | Масса |
| n2 (об/мин-1) | M2 (Нм) | i | Fr (Н) | fs | m (кг) | |
| 8,2 | 2565 | 109,86 | 25648 | 1,1 | KR573-112M/6 | 151 |
| 9,3 | 2269 | 97,19 | 28065 | 1,2 | ||
| 11 | 1884 | 125,51 | 30734 | 1,4 | KR573-100L/4a | 146 |
| 13 | 1649 | 109,86 | 32155 | 1,6 | ||
| 14 | 1458 | 97,19 | 33202 | 1,9 | ||
| 17 | 1233 | 82,14 | 34333 | 2,2 | ||
| 21 | 1011 | 67,37 | 35411 | 2,7 | ||
| 24 | 893 | 59,49 | 35927 | 3,0 |

Вернуться к выбору мощностей
Мотор-редуктор KR573 - полный аналог мотор-редуктора B123 (от Motovario (Италия)) КТМ63 (Tos-Znojmo (Чехия) МВН125 (Siti (Италия) мотор-редукторов SK9042.1 , SK9042.1 VF , SK9042/1 AZ (NORD (Германия), можно рассматривать как технический аналог мотор-редукторов марок MRT180A , MRT180A-FT , MRT180-FF (производства Tos Znojmo (Италия) , RMI180, RMI180FL (выпускаемых STM (Италия)) MI175 и MI175-F (произведенных Siti (Италия), ТС140В , TF140В (марки от Tramec (Италия)) VF185 , A552 , A553 , A602 , A603 (производства Bonfiglioli (Италия)).
Редуктор КТ573 можно использовать как аналогичный редуктору КЦ1-300 (российского производства) , привода ТА140В производимого Tramec (Италия), аналог редуктора RT150A и RF150A-FF производства Tos-Znojmo (Чехия), технический аналог редукторам ВН125, МВН125, произведенных под маркой Siti (Италия) и технический аналог редуктору КЦ2-125Н (производителя "Зарем").
Если вы хотите купить конические редукторы KR573 , вы можете:
Позвонить:
Российская Федерация
+7 (495) 369-04-89
+7 (910) 726-725-4 (МТС) Смоленск
info@tech-privod.com
Республика Беларусь
+375 17 272-04-08 (т/ф) Минск
+375 29 61-787-61 (A1) Минск
+7 (495) 369-04-89
+7 (910) 726-725-4 (МТС) Смоленск
info@tech-privod.com
Республика Беларусь
+375 17 272-04-08 (т/ф) Минск
+375 29 61-787-61 (A1) Минск
