Соосный цилиндрический редуктор MR673, NR673 Номинальная мощность - 2,5 кВт Выходные обороты: 9,0 об/мин ... 15 об/мин
Номинальная мощность - 2,5 кВт
Выходные обороты: 9,0 об/мин ... 15 об/мин
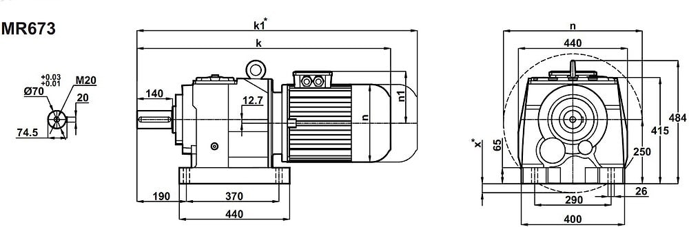
Соосно-цилиндрический мотор редуктор MR673-112M/6 (исполнение на лапах)NR673-112M/6 (фланцевое исполнение) представляет собой тихоходную осевую редукторную приставку в жесткой сцепке с электродвигателем мощностью 2,2кВт. Привод имеет фланцевое и лаповое исполнение. Предусмотрены разные варианты пространственных расположений мотор редуктора. В зависимости от этого и запросов Потребителя трансмиссия заполняется соответствующей заводской смазкой.
Эффективные передаточные отношения для данного габарита i=60 ... i=90 (при минимальных требованиях к сервис-фактору).
Номинальные крутящий момент - 3500 Nm.
Гарантийные обязательства - 24 месяца.
Сервис-фактор (fs)
Монтажные расположения
Применяемые типы масел
Условное обозначение
Каталог M-series
| Обороты на выходном валу | Крутящий момент на выходном валу | Передаточное число | Радиальные нагрузки на выходной вал | Сервис фактор | Тип редуктора | Масса |
| n2 (об/мин-1) | M2 (Нм) | i | Fr (Н) | fs | m (кг) | |
| 9,8 | 2017 | 91,84 | 44489 | 2,0 | MR673-112M/6 NR673-112M/6 | 212 214 |
| 12 | 1588 | 72,26 | 43339 | 2,5 | ||
| 14 | 1421 | 64,60 | 42007 | 2,8 |
Вернуться к выбору мощностей
Соосно-цилиндрический мотор-редуктор MR673 и NR673 можно рассматривать как: полный аналог соосно-цилиндрических мотор-редукторов таких брэндов , как Varvel (Италия) , Motovario (Италия) , STM (Италия) , Transtecno (Италия) , Siti (Италия) , Tos Znojmo (Чехия) , Sew Eurodrive (Германия) , KEB (Германия) , PGR (Турция) и других .
Соосно-цилиндрический мотор-редуктор MR673 и NR673 можно рассматривать как: технический аналог соосных редукторов таких брэндов , как Bonfiglioli (Италия) , Innovari/Hydromec (Италия) , Watt Drive (Австрия) , Nord Getriebebau DriveSystems (Германия) , Bauer Gearmotors (Германия) , Lenze (Германия) .
Если вы хотите купить соосный цилиндрический редуктор MR673, NR673 , вы можете:
Позвонить:
Российская Федерация
+7 (495) 369-04-89
+7 (910) 726-725-4 (МТС) Смоленск
info@tech-privod.com
Республика Беларусь
+375 17 272-04-08 (т/ф) Минск
+375 29 61-787-61 (A1) Минск
+7 (495) 369-04-89
+7 (910) 726-725-4 (МТС) Смоленск
info@tech-privod.com
Республика Беларусь
+375 17 272-04-08 (т/ф) Минск
+375 29 61-787-61 (A1) Минск
