Соосный цилиндрический редуктор MR372, MR373, NR372 и NR373 Номинальная мощность - 2,2 кВт Выходные обороты: 26 об/мин ... 110 об/мин
Номинальная мощность - 2,2 кВт
Выходные обороты: 26 об/мин ... 110 об/мин
Соосный цилиндрический мотор редуктор MR373-100L/4 (лаповое исполнение), NR373-100L/4 (фланцевое исполнение) MR372-100L/4a (лаповое исполнение), NR372-100L/4a (фланцевое исполнение) зубчатая передача с эффективными передаточными числами i=12 ... i=72 (при минимальных требованиях к сепрвис-фактору) и асинхронный электрический двигатель переменного тока мощностью 2,2кВт, и напряжением 220V или 380V.Номинальный крутящий момент на исполнительном валу 750 Nm.
Допустимый предел радиальных нагрузок на выходной вал 7500 N.
Гарантия - 2 года.
Сервис-фактор (fs)
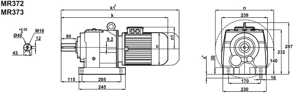
Монтажные расположения
Комбинированное исполнение (лапы, фланец)
Применяемые типы масел
Условное обозначение
Каталог M-series
| Обороты на выходном валу | Крутящий момент на выходном валу | Передаточное число | Радиальные нагрузки на выходной вал | Сервис фактор | Тип редуктора | Масса |
| n2 (об/мин-1) | M2 (Нм) | i | Fr (Н) | fs | m (кг) | |
| 19 | 1030 | 72,81 | 3894 | 0,8 | MR373-100L/4 NR373-100L/4 | 60 63 |
| 23 | 877 | 61,91 | 8100 | 0,9 | ||
| 26 | 752 | 53,04 | 7986 | 1,1 | ||
| 29 | 681 | 48,00 | 7892 | 1,2 | ||
| 34 | 584 | 41,16 | 7723 | 1,4 | ||
| 40 | 501 | 35,25 | 7529 | 1,6 | ||
| 47 | 420 | 29,47 | 7283 | 1,8 | ||
| 55 | 360 | 25,27 | 7057 | 2,0 | ||
| 60 | 336 | 23,33 | 8635 | 2,4 | MR372-100L/4a NR372-100L/4a | 59 62 |
| 68 | 298 | 20,62 | 8249 | 2,6 | ||
| 76 | 266 | 18,45 | 7919 | 2,8 | ||
| 86 | 234 | 16,20 | 7552 | 3,0 | ||
| 103 | 196 | 13,53 | 7075 | 3,4 | ||
| 112 | 180 | 12,48 | 6872 | 3,6 |
Вернуться к выбору мощностей
Соосно-цилиндрический мотор-редуктор MR372(3) и NR372(3) можно рассматривать как: полный аналог соосно-цилиндрических мотор-редукторов таких брэндов , как Varvel (Италия) , Motovario (Италия) , STM (Италия) , Transtecno (Италия) , Siti (Италия) , Tos Znojmo (Чехия) , Sew Eurodrive (Германия) , KEB (Германия) , PGR (Турция) и других .
Соосно-цилиндрический мотор-редуктор MR372(3) и NR372(3) можно рассматривать как: технический аналог соосных редукторов таких брэндов , как Bonfiglioli (Италия) , Innovari/Hydromec (Италия) , Watt Drive (Австрия) , Nord Getriebebau DriveSystems (Германия) , Bauer Gearmotors (Германия) , Lenze (Германия) .
Если вы хотите купить соосный цилиндрический редуктор MR372, MR373, NR372 и NR373 , вы можете:
Позвонить:
Российская Федерация
+7 (495) 369-04-89
+7 (910) 726-725-4 (МТС) Смоленск
info@tech-privod.com
Республика Беларусь
+375 17 272-04-08 (т/ф) Минск
+375 29 61-787-61 (A1) Минск
+7 (495) 369-04-89
+7 (910) 726-725-4 (МТС) Смоленск
info@tech-privod.com
Республика Беларусь
+375 17 272-04-08 (т/ф) Минск
+375 29 61-787-61 (A1) Минск
