Цилиндрический редуктор DR172 150 об/мин ... 580 об/мин
150 об/мин ... 580 об/мин
Цилиндрический мотор-редуктор с параллельными осями DR172-100L/2 и DR172-100L/4b, совмещенная конструкция разно полярного асинхронного двигателя (3,0/3000 , 3,0/1500 , 3,0/1000 , 3,0/750) и надежного редукторного механизма, рассчитанного для передачи высоко оборотистых режимов работы.Предлагаемый диапазон передаточных чисел: i=1 к 4,8 , i=1 к 5,8 , i=1 к 6,7 , i=1 к 7,7 , i=1 к 9,5 , i=1 к 11,5 , i=1 к 13 .
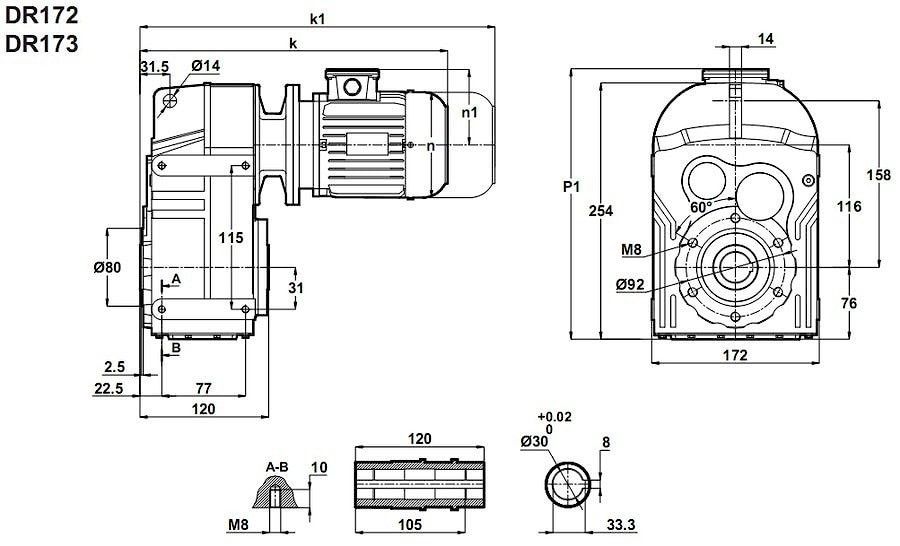
Габаритные и присоединительные размеры могут быть адаптированы под заданные параметры
Условное обозначение
Каталог D-series
| Обороты на выходном валу | Крутящий момент на выходном валу | Передаточное число | Радиальные нагрузки на выходной вал | Сервис фактор | Тип редуктора | Масса |
| n2 (об/мин-1) | M2 (Нм) | i | Fr (Н) | fs | m (кг) | |
| 106 | 260 | 13,19 | 2369 | 0,8 | DR172-100L/4b | 30 |
| 121 | 228 | 11,54 | 2429 | 0,9 | ||
| 147 | 188 | 9,54 | 2471 | 1,1 | ||
| 181 | 153 | 7,74 | 2347 | 1,2 | ||
| 208 | 133 | 6,72 | 2346 | 1,3 | ||
| 238 | 116 | 5,88 | 2331 | 1,4 | ||
| 288 | 96 | 4,86 | 2290 | 1,5 | ||
| 362 | 76 | 7,74 | 2219 | 1,9 | DR172-100L/2 | 32 |
| 417 | 66 | 6,72 | 2167 | 2,0 | ||
| 476 | 58 | 5,88 | 2113 | 2,2 | ||
| 576 | 48 | 4,86 | 2031 | 2,4 |

Вернуться к выбору мощностей
Мотор-редуктор DR172 - является полным аналогом мотор-редукторов TNC12, TNC 12, TN C12 (производства Tos-Znojmo / Чехия) ; как технический аналог мотор-редуктор можно рассматривать маркам м/редукторов MPL63 и MPL63/3 , MPL 63 и MPL 63 3 , M PL 63 и M PL63 3 (производства Siti /Италия) ; моторредукторов S052 и S053 , S 052 и S 05 3 , S 05 2 и S 053 (производства Motovario /Италия) ; редукторов SK1282, SK 1282, S K 12 82 (производства Nord /Германия) ; мотор-редукторов F202, F 20 2, F20 2 (производства Bonfiglioli /Италия).
Редуктор DT172 является аналогом редукторов PL63 , PL63/3 , PL 63 , PL 63 3 , P L 63 , PL 63-3 (прои зводства Siti /Италия).
Если вы хотите купить цилиндрический редуктор DR172 , вы можете:
Позвонить:
Российская Федерация
+7 (495) 369-04-89
+7 (910) 726-725-4 (МТС) Смоленск
info@tech-privod.com
Республика Беларусь
+375 17 272-04-08 (т/ф) Минск
+375 29 61-787-61 (A1) Минск
+7 (495) 369-04-89
+7 (910) 726-725-4 (МТС) Смоленск
info@tech-privod.com
Республика Беларусь
+375 17 272-04-08 (т/ф) Минск
+375 29 61-787-61 (A1) Минск
