Цилиндрический редуктор DR773 4,0 об/мин ... 10 об/мин
4,0 об/мин ... 10 об/мин
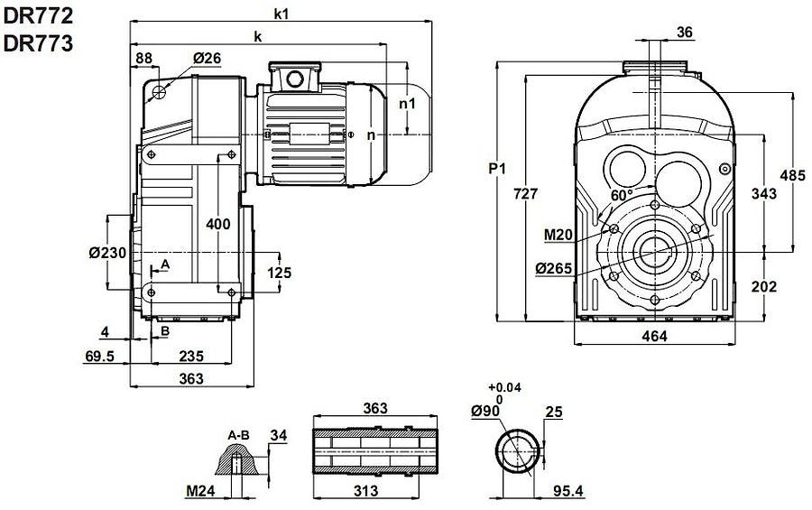
Мотор-редуктор DR773-100L/4b и DR773-132S/6 - трех стадийная трансмиссионная приводная машина с одним из номинальных передаточных чисел: 1 : 140 , 1 : 160 , 1 : 190 , 1 : 220 и электроприводом мощностью 3,0 кВт (асинхронный электродвигатель 3,0/3000 , 3,0/1500 , 3,0 / 1000 , 3,0 / 750).Вращающий момент на тихоходном валу, в зависимости от выбранного соотношения, находится в диапазоне: 2700 Nm - 6600 Nm.
Различные монтажные исполнения: с полым валом, с цельным валом, с выходным фланцем, с реактивной штангой, с экструдерной надстройкой и другие.
Условное обозначение
Каталог D-series
| Обороты на выходном валу | Крутящий момент на выходном валу | Передаточное число | Радиальные нагрузки на выходной вал | Сервис фактор | Тип редуктора | Масса |
| n2 (об/мин-1) | M2 (Нм) | i | Fr (Н) | fs | m (кг) | |
| 4,1 | 6628 | 222,16 | 67344 | 1,2 | DR773-132S/6 | 304 |
| 4,7 | 5682 | 190,20 | 69203 | 1,4 | ||
| 5,7 | 4729 | 158,23 | 73718 | 1,7 | ||
| 6,3 | 4280 | 222,16 | 75607 | 1,9 | DR773-100L/4b | 313 |
| 7,4 | 3670 | 190,20 | 77980 | 2,2 | ||
| 8,8 | 3054 | 158,23 | 80193 | 2,6 | ||
| 9,9 | 2735 | 141,55 | 75768 | 2,9 |

Вернуться к выбору мощностей
Мотор-редуктор DR773 - как технический аналог мотор-редуктор можно рассматривать относительно к моделям MPD160 и MPD160/3/ производства Siti, Италия; SK7382 /производства Nord , Германия; F803 / производства Bonfiglioli, Италия, ZF200B и ZF200C / производства Tramec , Италия .
Редуктор DT773 является аналогом редукторов PD160-, PD160/3- производства Siti / Италия; ZA200B, ZA200C производства Tramec/ Италия .
Если вы хотите купить цилиндрический редуктор DR773 , вы можете:
Позвонить:
Российская Федерация
+7 (495) 369-04-89
+7 (910) 726-725-4 (МТС) Смоленск
info@tech-privod.com
Республика Беларусь
+375 17 272-04-08 (т/ф) Минск
+375 29 61-787-61 (A1) Минск
+7 (495) 369-04-89
+7 (910) 726-725-4 (МТС) Смоленск
info@tech-privod.com
Республика Беларусь
+375 17 272-04-08 (т/ф) Минск
+375 29 61-787-61 (A1) Минск
