Цилиндрический редуктор DR473 20 об/мин ... 40 об/мин
20 об/мин ... 40 об/мин
Универсальный, обще промышленный мотор-редуктор/редуктор с параллельными осями с тремя стадиями редукции - DR473-100L/4b.Мощность подключаемого двигателя - 3,0 KW.
Привод считается среднескоростным, передаточные отношения: 35:1 , 40:1 , 47:1 , 55:1 , 60:1 , 70:1 , 80:1 , 95:1 , 100:1 .
Вращающие моменты дифференцируются в зависимости от трансмиссионного делителя и составляют: 700Нм - 1600Нм.
Гарантия - 24 месяца.
Условное обозначение
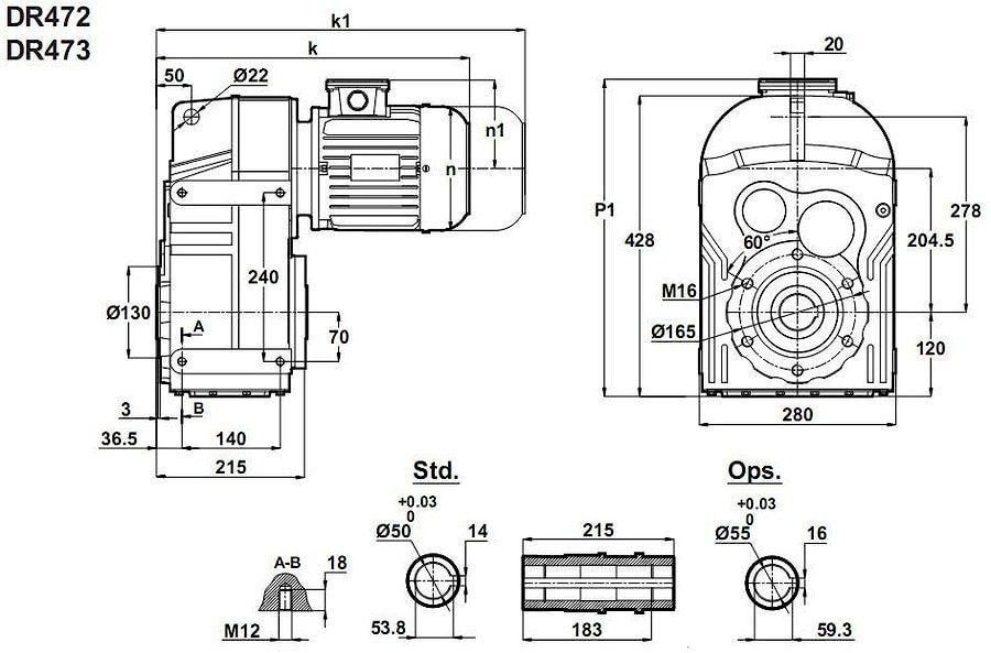
Каталог D-series
| Обороты на выходном валу | Крутящий момент на выходном валу | Передаточное число | Радиальные нагрузки на выходной вал | Сервис фактор | Тип редуктора | Масса |
| n2 (об/мин-1) | M2 (Нм) | i | Fr (Н) | fs | m (кг) | |
| 14 | 1963 | 101,48 | 9493 | 0,8 | DR473-100L/4b | 118 |
| 15 | 1855 | 95,87 | 12914 | 0,8 | ||
| 17 | 1568 | 81,00 | 16714 | 1,0 | ||
| 20 | 1368 | 70,59 | 19655 | 1,1 | ||
| 23 | 1200 | 61,85 | 21835 | 1,2 | ||
| 26 | 1055 | 54,35 | 23257 | 1,3 | ||
| 30 | 921 | 47,37 | 24636 | 1,5 | ||
| 34 | 808 | 41,50 | 25741 | 1,6 | ||
| 41 | 669 | 34,28 | 26937 | 1,8 |

Вернуться к выбору мощностей
Мотор-редуктор DR473 - является полным аналогом мотор-редуктор TNC43 / производства Tos-Znojmo , Чехия ; как технический аналог мотор-редуктор можно рассматривать к моделям MPD100 и MPD100/3 / производства Siti , Италия ; S103 / производства Motovario , Италия ; SK4382 /производства Nord , Германия ; F513 / производства Bonfiglioli , Италия , ZF125B и ZF125C / производства Tramec , Италия .
Редуктор DT473 является аналогом редукторов PL100- , PL100/3 производства Siti / Италия ; ZA125B , ZA125C производства Tramec / Италия.
Если вы хотите купить цилиндрический редуктор DR473 , вы можете:
Позвонить:
Российская Федерация
+7 (495) 369-04-89
+7 (910) 726-725-4 (МТС) Смоленск
info@tech-privod.com
Республика Беларусь
+375 17 272-04-08 (т/ф) Минск
+375 29 61-787-61 (A1) Минск
+7 (495) 369-04-89
+7 (910) 726-725-4 (МТС) Смоленск
info@tech-privod.com
Республика Беларусь
+375 17 272-04-08 (т/ф) Минск
+375 29 61-787-61 (A1) Минск
