Цилиндрический редуктор DR272 и DR273 70 об/мин ... 570 об/мин
70 об/мин ... 570 об/мин
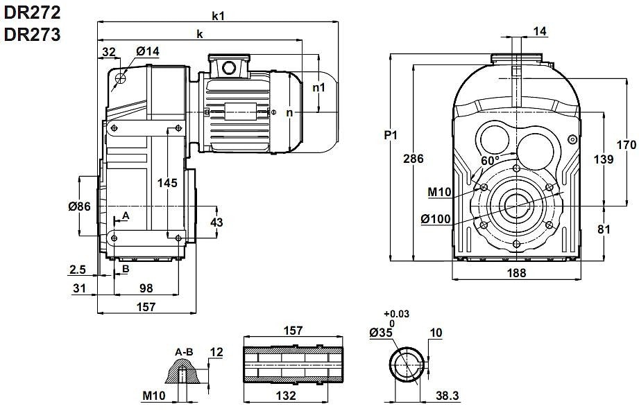
Промышленный универсальный мотор-редуктор с параллельными осями (валами) DR272-100L/2 и DR272-100L/4b и DR273-100L/4b ( в русской части интернета возможно найти следующие названия данного типа: вертикальный редуктор, насадной редуктор, навесной редуктор, торцевой редуктор, редуктор с полой втулкой на выходе и т.д.) - двигательная установка эквивалентной мощностью 3,0 кВт и трансмиссионная редукторная часть, скорость выходного вала 46 ... 562 оборотов в минуту, при этом доводимый крутящий момент находится в диапазоне: 49 - 500 ньютонов на метр.Условное обозначение
Каталог D-series
| Обороты на выходном валу | Крутящий момент на выходном валу | Передаточное число | Радиальные нагрузки на выходной вал | Сервис фактор | Тип редуктора | Масса |
| n2 (об/мин-1) | M2 (Нм) | i | Fr (Н) | fs | m (кг) | |
| 46 | 588 | 30,34 | 9454 | 0,8 | DR273-100L/4b | 37 |
| 55 | 494 | 25,44 | 11452 | 0,9 | ||
| 62 | 445 | 22,67 | 12035 | 1,0 | DR272-100L/4b | 35 |
| 66 | 419 | 21,33 | 12412 | 1,1 | ||
| 77 | 359 | 18,25 | 13209 | 1,3 | ||
| 88 | 315 | 16,00 | 13700 | 1,4 | ||
| 99 | 279 | 14,14 | 14112 | 1,6 | ||
| 118 | 235 | 11,90 | 13675 | 1,9 | ||
| 138 | 200 | 10,11 | 13160 | 2,1 | ||
| 162 | 171 | 8,67 | 12673 | 2,3 | ||
| 205 | 135 | 6,84 | 11867 | 2,4 | ||
| 241 | 115 | 5,82 | 11387 | 2,6 | ||
| 281 | 99 | 4,98 | 10939 | 2,8 | ||
| 323 | 85 | 8,67 | 10589 | 3,7 | DR272-100L/2 | 35 |
| 409 | 67 | 6,84 | 9894 | 3,9 | ||
| 481 | 57 | 5,82 | 9465 | 4,2 | ||
| 562 | 49 | 4,98 | 9070 | 4,5 |

Вернуться к выбору мощностей
Мотор-редуктор DR272 и DR273 - является полным аналогом мотор-редукторов TNC22 и TNC23 , TNC 22 и T NC 23 , TNC 2 2 и TN C 2 3 (производства Tos-Znojmo/Чехия ); можно рассматривать как технический аналог мотор-редукторов маркам MPL80 и MPL80/3 , MPD63 и MPD60/3 , MPL 80 и M PL 80 3 , MPD 63 и M PD60 3 , M PL80 и M PL 80 3 , M PD63 и MP D 63 3 (производства Siti/Италия); м/редукторов S062 и S063 , S 062 и S 063 , S 06 2 и S 06 3 (производства Motovario/Италия); SK2282 и SK2382 , SK 2282 и SK 23 82 , S K 2282 и SK 2382 (производства Nord/Германия); моторедуктор F252 и F253 , F 252 и F 25 3 , F 25 2 и F2 53 (производства Bonfiglioli/Италия).
Редуктор DT272 и DT273 является аналогом редукторов PL80- , PL80/3 , PD63- , PD63/3 , PL 80 , PL 80 3 , PD 63 , PD 63.3 , P L 80 , P L80 3 , P D 63 , P D 63 3 (производства Siti / Италия), редукторов ZA80B , ZA80C , ZA 80B , ZA 80 C , Z A 80B , ZA 80C (производства Tramec / Италия) .
Если вы хотите купить цилиндрический редуктор DR272 и DR273 , вы можете:
Позвонить:
Российская Федерация
+7 (495) 369-04-89
+7 (910) 726-725-4 (МТС) Смоленск
info@tech-privod.com
Республика Беларусь
+375 17 272-04-08 (т/ф) Минск
+375 29 61-787-61 (A1) Минск
+7 (495) 369-04-89
+7 (910) 726-725-4 (МТС) Смоленск
info@tech-privod.com
Республика Беларусь
+375 17 272-04-08 (т/ф) Минск
+375 29 61-787-61 (A1) Минск
