Цилиндрический редуктор DR573 10 об/мин ... 30 об/мин
10 об/мин ... 30 об/мин
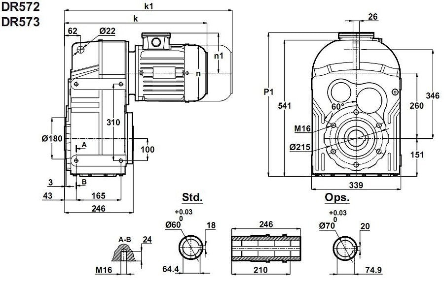
Спецификация продукта:Трехступенчатый цилиндрический мотор редуктор с параллельными осями DR573-100L/4b.
Подключаемая мощность 3,0 кВт (3,0KW) - а это 3,0/3000 , 3,0/1500 , 3,0/1000 , 3,0/750.
Крутящий момент: от 1000 Нм (1000Nm) до 3000 Нм (3000Nm).
Скорость тихоходного вала: 7,3 - 32 оборотов/минуту.
Допускаемые радиальные нагрузки на тихоходный вал: 32000N (32000 Н).
Исполнение: полый вал, цельный вал , выходной фланец , с реактивным рычагом, с эксрудерной насадкой (DRE) , и др.
Условное обозначение
Каталог D-series
| Обороты на выходном валу | Крутящий момент на выходном валу | Передаточное число | Радиальные нагрузки на выходной вал | Сервис фактор | Тип редуктора | Масса |
| n2 (об/мин-1) | M2 (Нм) | i | Fr (Н) | fs | m (кг) | |
| 7,3 | 3707 | 192,62 | 6480 | 0,8 | DR573-100L/4b | 170 |
| 8,3 | 3249 | 168,60 | 18433 | 0,9 | ||
| 9,4 | 2878 | 149,15 | 23756 | 1,0 | ||
| 11 | 2436 | 126,06 | 28549 | 1,2 | ||
| 14 | 1999 | 103,39 | 32302 | 1,5 | ||
| 15 | 1768 | 91,3 | 34008 | 1,7 | ||
| 17 | 1573 | 81,15 | 35298 | 1,9 | ||
| 20 | 1332 | 68,64 | 36817 | 2,3 | ||
| 23 | 1188 | 61,12 | 37645 | 2,5 | ||
| 28 | 975 | 50,13 | 38780 | 3,1 | ||
| 32 | 862 | 44,27 | 39344 | 3,5 |

Вернуться к выбору мощностей
Мотор-редуктор DR573 - является полным аналогом мотор-редуктор TNC53 / производства Tos-Znojmo , Чехия ; как технический аналог мотор-редуктор можно рассматривать относительно к моделям MPD125 и MPD125/3 , MPL125 и MPL125/3 / производства Siti , Италия ; S123 / производства Motovario , Италия ;SK5382 /производства Nord , Германия ; F602 и F603 / производства Bonfiglioli , Италия , ZF160B и ZF160C / производства Tramec , Италия .
Редуктор DT573 является аналогом редукторов PD125- , PD125/3 производства Siti / Италия ; ZA160B , ZA160C производства Tramec / Италия .
Если вы хотите купить цилиндрический редуктор DR573 , вы можете:
Позвонить:
Российская Федерация
+7 (495) 369-04-89
+7 (910) 726-725-4 (МТС) Смоленск
info@tech-privod.com
Республика Беларусь
+375 17 272-04-08 (т/ф) Минск
+375 29 61-787-61 (A1) Минск
+7 (495) 369-04-89
+7 (910) 726-725-4 (МТС) Смоленск
info@tech-privod.com
Республика Беларусь
+375 17 272-04-08 (т/ф) Минск
+375 29 61-787-61 (A1) Минск
