Цилиндрический редуктор DR282 и DR283 50 об/мин ... 350 об/мин
50 об/мин ... 350 об/мин
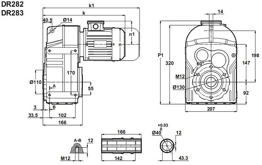
Надежная компактная универсальная трансмиссия DR282-100L/4b и DR283-100L/4b - цилиндрический мотор редуктор с параллельным валом (торцевые , надсадные, вертикальные, с полой втулкой и д.р) с мощностью подключаемого электродвигателя - 3,0 KW , крутящие моменты - 90 НМ ... 600 НМ , выходные обороты приводного вала: 46 об/мин ... 358 об/мин.Редуктор отпускается заправленным маслом. Имеются эксплуатационные сервисные пробки, способствующие контролю за качеством и количеством смазки.
Условное обозначение
Каталог D-series
| Обороты на выходном валу | Крутящий момент на выходном валу | Передаточное число | Радиальные нагрузки на выходной вал | Сервис фактор | Тип редуктора | Масса |
| n2 (об/мин-1) | M2 (Нм) | i | Fr (Н) | fs | m (кг) | |
| 40 | 686 | 35,35 | 7373 | 0,9 | DR283-100L/4b | 45 |
| 46 | 588 | 30,28 | 9658 | 1,0 | ||
| 46 | 588 | 30,28 | 9688 | 1,0 | ||
| 56 | 488 | 24,79 | 11112 | 1,2 | DR282-100L/4b | 41 |
| 66 | 419 | 21,28 | 12048 | 1,4 | ||
| 75 | 369 | 18,73 | 12750 | 1,6 | ||
| 84 | 328 | 16,62 | 13434 | 1,7 | ||
| 100 | 278 | 14,06 | 14236 | 1,9 | ||
| 116 | 238 | 12,03 | 14820 | 2,1 | ||
| 135 | 205 | 10,38 | 15249 | 2,2 | ||
| 148 | 187 | 9,45 | 15488 | 2,4 | ||
| 171 | 162 | 8,19 | 15582 | 2,5 | ||
| 197 | 140 | 7,09 | 14996 | 2,7 | ||
| 211 | 132 | 6,65 | 14678 | 2,6 | ||
| 244 | 114 | 5,74 | 14110 | 2,8 | ||
| 268 | 104 | 5,22 | 13754 | 2,9 | ||
| 310 | 90 | 4,52 | 13226 | 3,1 | ||
| 358 | 78 | 3,92 | 12710 | 3,3 |

Вернуться к выбору мощностей
Мотор редуктор DR282 и DR283 можно использовать как технический аналог мотор редукторов F312 и F313 , F 312 и F 31 3 , F3 1 2 и F31 3 (выпускаемых Bonfiglioli /Италия).
Если вы хотите купить цилиндрический редуктор DR282 и DR283 , вы можете:
Позвонить:
Российская Федерация
+7 (495) 369-04-89
+7 (910) 726-725-4 (МТС) Смоленск
info@tech-privod.com
Республика Беларусь
+375 17 272-04-08 (т/ф) Минск
+375 29 61-787-61 (A1) Минск
+7 (495) 369-04-89
+7 (910) 726-725-4 (МТС) Смоленск
info@tech-privod.com
Республика Беларусь
+375 17 272-04-08 (т/ф) Минск
+375 29 61-787-61 (A1) Минск
