Цилиндрический редуктор DR372 и DR373 35 об/мин ... 100 об/мин
35 об/мин ... 100 об/мин
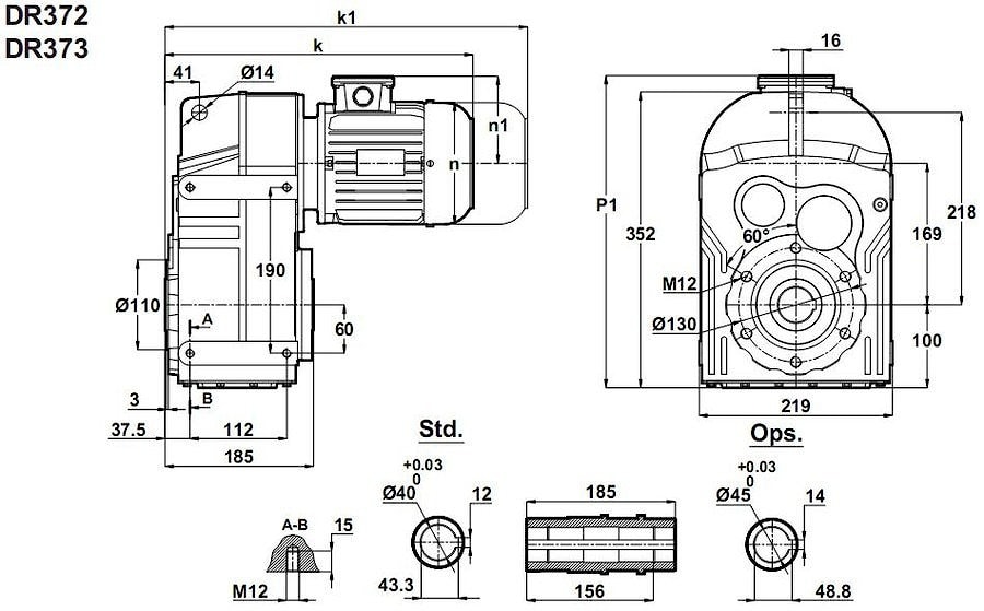
Мотор редуктор DR372-100L/4b и DR373-100L/4b - относится к типу цилиндрических редукторных механизмов с параллельным выходным валом, подключаемый мотор мощностью - 3,0 кВт, вращающие моменты 250 Нм - 800 Нм.Одно скоростная, прочная трансмиссия с передаточными числами на выбор: i=11,7 , i=13,6 , i=14,7 , i=17,6 , i=20 , i=22,5 , i=25 , i=27,5 , i=32 , i=35 , i=41 , i=52.
Пространственные расположения: M1 , M2 , M3 , M4 , M5 , M6 .
Габарит но-присоединительные размеры могут быть изготовлены под заказ.
Условное обозначение
Каталог D-series
| Обороты на выходном валу | Крутящий момент на выходном валу | Передаточное число | Радиальные нагрузки на выходной вал | Сервис фактор | Тип редуктора | Масса |
| n2 (об/мин-1) | M2 (Нм) | i | Fr (Н) | fs | m (кг) | |
| 27 | 1013 | 52,30 | 8273 | 0,8 | DR373-100L/4b | 83 |
| 34 | 804 | 41,42 | 12720 | 1,0 | ||
| 39 | 690 | 35,49 | 14635 | 1,1 | ||
| 44 | 625 | 32,11 | 15560 | 1,2 | ||
| 51 | 535 | 27,53 | 16717 | 1,3 | ||
| 55 | 500 | 25,42 | 15818 | 1,6 | DR372-100L/4b | 77 |
| 62 | 442 | 22,46 | 16340 | 1,9 | ||
| 70 | 396 | 20,10 | 16733 | 2,1 | ||
| 79 | 348 | 17,65 | 17113 | 2,4 | ||
| 95 | 291 | 14,74 | 17535 | 2,8 | ||
| 103 | 268 | 13,60 | 17696 | 3,1 | ||
| 119 | 232 | 11,77 | 17448 | 3,4 |

Вернуться к выбору мощностей
Мотор-редуктор DR372 и DR373 - является полным аналогом мотор-редуктор TNC32 и TNC33 / производства Tos-Znojmo , Чехия ; MPD80 и MPD80/3 / производства Siti , Италия ; как технический аналог мотор-редуктор можно рассматривать к моделям MPL100 и MPL100/3 / производства Siti , Италия ; S082 и S083 / производства Motovario , Италия ; SK3282 и SK3382 /производства Nord , Германия ; F412 и F413 / производства Bonfiglioli , Италия , ZF100B и ZF100C / производства Tramec , Италия .
Редуктор DT372 и DT373 является аналогом редукторов PL100- , PL100/3 , PD80- , PD80/3 производства Siti / Италия ; ZA100B , ZA100C производства Tramec / Италия .
Если вы хотите купить цилиндрический редуктор DR372 и DR373 , вы можете:
Позвонить:
Российская Федерация
+7 (495) 369-04-89
+7 (910) 726-725-4 (МТС) Смоленск
info@tech-privod.com
Республика Беларусь
+375 17 272-04-08 (т/ф) Минск
+375 29 61-787-61 (A1) Минск
+7 (495) 369-04-89
+7 (910) 726-725-4 (МТС) Смоленск
info@tech-privod.com
Республика Беларусь
+375 17 272-04-08 (т/ф) Минск
+375 29 61-787-61 (A1) Минск
