Цилиндрический редуктор DR974 1,5 об/мин ... 5,0 об/мин
1,5 об/мин ... 5,0 об/мин
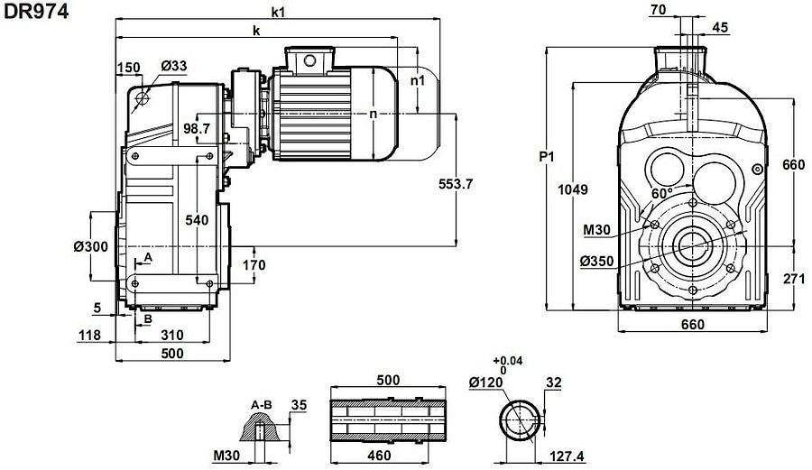
Спецификация продукта:Агрегат в сборе: мотор редуктор
Зацепление: цилиндрическое
Тип: с параллельными валами
Маркировка: DR974-100L/4b и DR974-132S/6
Подключаемая мощность: 3 KW (3.0KW/1400 , 3.0KW/900)
Моменты: 6000 - 15000 нм
Скорость тихоходного вала: 1,7 об/мин - 4,9 об/мин
Допустимые радиальные нагрузки: 21000 N
Пространственные расположения: М1 , М2 , M3 , M4 , М5 , М6 .
Условное обозначение
Каталог D-series
| Обороты на выходном валу | Крутящий момент на выходном валу | Передаточное число | Радиальные нагрузки на выходной вал | Сервис фактор | Тип редуктора | Масса |
| n2 (об/мин-1) | M2 (Нм) | i | Fr (Н) | fs | m (кг) | |
| 1,7 | 15340 | 523,19 | 207981 | 1,2 | DR974-132S/6 | 805 |
| 2,2 | 12191 | 415,16 | 215710 | 1,5 | ||
| 2,4 | 10918 | 371,15 | 215710 | 1,6 | ||
| 2,7 | 9861 | 523,19 | 220851 | 1,8 | DR974-100L/4b | 795 |
| 3,4 | 7837 | 415,16 | 224829 | 2,3 | ||
| 3,8 | 7018 | 371,15 | 226341 | 2,6 | ||
| 4,2 | 6308 | 333,23 | 227611 | 2,9 | ||
| 4,9 | 5377 | 284,06 | 229201 | 3,3 |

Вернуться к выбору мощностей
Мотор редуктор DR974 можно использовать как технический аналог к мотор редуктору SK9382 / 42 и SK9382 / 52 / выпускаемых NORD , Германия ; мотор-редуктору F904 / производства Bonfiglioli , Италия.
Если вы хотите купить цилиндрический редуктор DR974 , вы можете:
Позвонить:
Российская Федерация
+7 (495) 369-04-89
+7 (910) 726-725-4 (МТС) Смоленск
info@tech-privod.com
Республика Беларусь
+375 17 272-04-08 (т/ф) Минск
+375 29 61-787-61 (A1) Минск
+7 (495) 369-04-89
+7 (910) 726-725-4 (МТС) Смоленск
info@tech-privod.com
Республика Беларусь
+375 17 272-04-08 (т/ф) Минск
+375 29 61-787-61 (A1) Минск
