Цилиндрический редуктор DR673 6,5 об/мин ... 20 об/мин
6,5 об/мин ... 20 об/мин
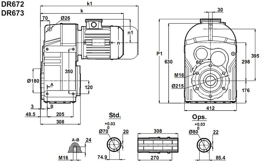
Цилиндрический мотор-редукторы с параллельными валами DR673-100L/4b и DR673-132S/6 - шестой габарит трехступенчатой моторизированной зубчатой трансмиссии с цилиндрической передачей крутящего момента от 1300 до 4000 ньютонов/метр от энергетического первоисточника мощностью 3,0 кВт или 4,0 HPДопустимые передаточные числа: 40:1 , 45 :1 , 50 :1 , 60 :1 , 70:1 , 125:1 , 140 :1 , 170 :1 , 200 :1 , 220 :1 .
Радиальные нагрузки: 1500 Нм - 4200 Нм.
Гарантийные обязательства: 24 месяцев.
Условное обозначение
Каталог D-series
| Обороты на выходном валу | Крутящий момент на выходном валу | Передаточное число | Радиальные нагрузки на выходной вал | Сервис фактор | Тип редуктора | Масса |
| n2 (об/мин-1) | M2 (Нм) | i | Fr (Н) | fs | m (кг) | |
| 6,3 | 4264 | 221,47 | 29784 | 1,0 | DR673-132S/6 | 230 |
| 7,1 | 3797 | 197,01 | 34362 | 1,1 | ||
| 8,3 | 3242 | 167,96 | 38689 | 1,3 | ||
| 10 | 2699 | 139,76 | 42307 | 1,6 | ||
| 11 | 2407 | 124,53 | 44004 | 1,8 | ||
| 5,4 | 5020 | 167,96 | 19904 | 0,9 | DR673-100L/4b | 240 |
| 13 | 2077 | 69,18 | 45756 | 2,1 | ||
| 15 | 1828 | 60,82 | 46933 | 2,4 | ||
| 15 | 1782 | 59,34 | 47214 | 2,4 | ||
| 18 | 1534 | 51,01 | 48349 | 2,8 | ||
| 20 | 1334 | 44,27 | 49207 | 3,2 | ||
| 23 | 1167 | 38,70 | 49850 | 3,7 |

Вернуться к выбору мощностей
Мотор-редуктор DR673 - как технический аналог мотор-редуктор можно рассматривать относительно к моделям MPD160 и MPD160/3 , MPL160 и MPL160/3 / производства Siti, Италия; SK6382 /производства Nord , Германия; F703/ производства Bonfiglioli, Италия, ZF180B и ZF180C / производства Tramec, Италия .
Редуктор DT673 является аналогом редукторов ZA160B, ZA160C производства Tramec/ Италия .
Если вы хотите купить цилиндрический редуктор DR673 , вы можете:
Позвонить:
Российская Федерация
+7 (495) 369-04-89
+7 (910) 726-725-4 (МТС) Смоленск
info@tech-privod.com
Республика Беларусь
+375 17 272-04-08 (т/ф) Минск
+375 29 61-787-61 (A1) Минск
+7 (495) 369-04-89
+7 (910) 726-725-4 (МТС) Смоленск
info@tech-privod.com
Республика Беларусь
+375 17 272-04-08 (т/ф) Минск
+375 29 61-787-61 (A1) Минск
