Цилиндрический редуктор DR272 и DR273 20 об/мин ... 80 об/мин
20 об/мин ... 80 об/мин
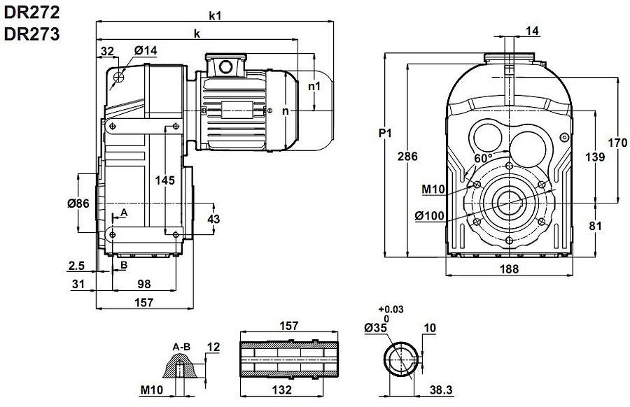
Мотор-редуктор DR272-80/4b и DR273-80/4b - разновидность цилиндрических передач с выходным параллельным валом, который имеет следующие крепежные исполнения: с полым валом , с массивным цельным валом, с выходным фланцем , с реактивной анти вибрационной штангой, с зажимным устройством для полой втулки, может быть предусмотрена анти реверсной муфтой, ограничителем крутящего момента и др.Двигатель 0,75кВт / 750 Ватт
Скорость выходного вала : от 12 об/мин до 77 об/мин.
Крутящие моменты - 400 Ньютонов на метр.
Условное обозначение
Каталог D-series
| Обороты на выходном валу | Крутящий момент на выходном валу | Передаточное число | Радиальные нагрузки на выходной вал | Сервис фактор | Тип редуктора | Масса |
| n2 (об/мин-1) | M2 (Нм) | i | Fr (Н) | fs | m (кг) | |
| 12 | 542 | 113,02 | 10405 | 0,8 | DR273-80/4b | 28 |
| 15 | 461 | 96,09 | 11802 | 1,0 | ||
| 17 | 401 | 83,46 | 12670 | 1,1 | ||
| 19 | 351 | 73,03 | 13305 | 1,3 | ||
| 23 | 291 | 60,39 | 13989 | 1,5 | ||
| 28 | 243 | 50,36 | 14473 | 1,9 | ||
| 33 | 204 | 42,22 | 14833 | 2,2 | ||
| 38 | 176 | 36,38 | 15074 | 2,6 | ||
| 46 | 147 | 30,34 | 15305 | 3,1 | ||
| 54 | 126 | 25,78 | 15459 | 3,6 | DR272-80/4b | 26 |
| 62 | 111 | 22,67 | 15566 | 4,1 | ||
| 66 | 105 | 21,33 | 15611 | 4,3 | ||
| 77 | 89 | 18,25 | 15712 | 5,0 |

Вернуться к выбору мощностей
Мотор-редуктор DR272 и DR273 - является полным аналогом мотор-редукторов TNC22 и TNC23 , TNC 22 и T NC 23 , TNC 2 2 и TN C 2 3 (производства Tos-Znojmo/Чехия ); можно рассматривать как технический аналог мотор-редукторов маркам MPL80 и MPL80/3 , MPD63 и MPD60/3 , MPL 80 и M PL 80 3 , MPD 63 и M PD60 3 , M PL80 и M PL 80 3 , M PD63 и MP D 63 3 (производства Siti/Италия); м/редукторов S062 и S063 , S 062 и S 063 , S 06 2 и S 06 3 (производства Motovario/Италия); SK2282 и SK2382 , SK 2282 и SK 23 82 , S K 2282 и SK 2382 (производства Nord/Германия); моторедуктор F252 и F253 , F 252 и F 25 3 , F 25 2 и F2 53 (производства Bonfiglioli/Италия).
Редуктор DT272 и DT273 является аналогом редукторов PL80- , PL80/3 , PD63- , PD63/3 , PL 80 , PL 80 3 , PD 63 , PD 63.3 , P L 80 , P L80 3 , P D 63 , P D 63 3 (производства Siti / Италия), редукторов ZA80B , ZA80C , ZA 80B , ZA 80 C , Z A 80B , ZA 80C (производства Tramec / Италия) .
Если вы хотите купить цилиндрический редуктор DR272 и DR273 , вы можете:
Позвонить:
Российская Федерация
+7 (495) 369-04-89
+7 (910) 726-725-4 (МТС) Смоленск
info@tech-privod.com
Республика Беларусь
+375 17 272-04-08 (т/ф) Минск
+375 29 61-787-61 (A1) Минск
+7 (495) 369-04-89
+7 (910) 726-725-4 (МТС) Смоленск
info@tech-privod.com
Республика Беларусь
+375 17 272-04-08 (т/ф) Минск
+375 29 61-787-61 (A1) Минск
