Цилиндрический редуктор DR283 15 об/мин ... 35 об/мин
15 об/мин ... 35 об/мин
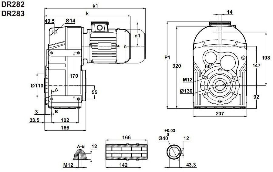
Трансмиссионный механизм DR283-80/4b : электромеханическое устройство (асинхронный мотор , DC двигатель , синхронные двигатели и др.) эквивалентной мощности 750 В ( 220V , 380V ) , и редукторная часть - компактная и универсальная форма с меж осевым расстоянием - 147 мм , рациональные передаточные отношения : 1 : 40 , 1 : 45 , 1 : 53 , 1 : 62 , 1 : 74 , 1 : 84 , 1 : 95 , 1 : 112 , 1 : 120 , 1 : 135 .Расчетная передаваемая мощность в виде крутящего момента - до 500 нм .
Условное обозначение
Каталог D-series
| Обороты на выходном валу | Крутящий момент на выходном валу | Передаточное число | Радиальные нагрузки на выходной вал | Сервис фактор | Тип редуктора | Масса |
| n2 (об/мин-1) | M2 (Нм) | i | Fr (Н) | fs | m (кг) | |
| 10 | 650 | 135,52 | 8232 | 0,9 | DR283-80/4b | 35 |
| 12 | 572 | 119,16 | 9789 | 1,0 | ||
| 13 | 538 | 112,15 | 10341 | 1,1 | ||
| 15 | 461 | 95,92 | 11474 | 1,3 | ||
| 17 | 404 | 84,12 | 12219 | 1,5 | ||
| 19 | 358 | 74,36 | 12758 | 1,7 | ||
| 22 | 301 | 62,55 | 13351 | 2,0 | ||
| 26 | 256 | 53,18 | 13780 | 2,3 | ||
| 31 | 220 | 45,56 | 14104 | 2,7 | ||
| 34 | 199 | 41,23 | 14279 | 3,0 |

Вернуться к выбору мощностей
Мотор редуктор DR283 можно использовать как технический аналог мотор редукторов F313, F 31 3, F31 3 (выпускаемых Bonfiglioli /Италия).
Если вы хотите купить цилиндрический редуктор DR283 , вы можете:
Позвонить:
Российская Федерация
+7 (495) 369-04-89
+7 (910) 726-725-4 (МТС) Смоленск
info@tech-privod.com
Республика Беларусь
+375 17 272-04-08 (т/ф) Минск
+375 29 61-787-61 (A1) Минск
+7 (495) 369-04-89
+7 (910) 726-725-4 (МТС) Смоленск
info@tech-privod.com
Республика Беларусь
+375 17 272-04-08 (т/ф) Минск
+375 29 61-787-61 (A1) Минск
