Цилиндрический редуктор DR975 и DR976 0,4 об/мин ... 1,0 об/мин
0,4 об/мин ... 1,0 об/мин
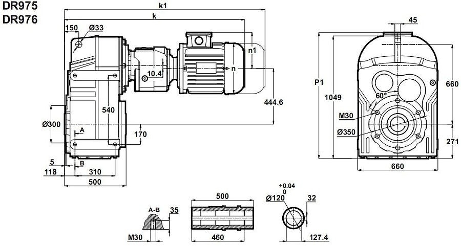
Цилиндрический мотор-редуктор с параллельными валами DR975-80/4b и DR976-80/4b (торцевой редуктор, насадной редуктор, вертикальный редуктор, навесной редуктор и др.) функционирует от мотора номинальной мощностью 0,7 квт, причем крутящие моменты, достигаемые на выходном валу: 6000 Nm - 16000 Nm.Скорость выходного вала: 0,3 об/мин - 1,3 об/мин.
Пространственные монтажные расположения мотор редуктора: М1 , М2 , М3 , М4 , М5 , М6 .
Условное обозначение
Каталог D-series
| Обороты на выходном валу | Крутящий момент на выходном валу | Передаточное число | Радиальные нагрузки на выходной вал | Сервис фактор | Тип редуктора | Масса |
| n2 (об/мин-1) | M2 (Нм) | i | Fr (Н) | fs | m (кг) | |
| 0,31 | 20474 | 4589,41 | 193038 | 0,9 | DR976-80/4b | 802 |
| 0,38 | 16481 | 3686,99 | 205022 | 1,1 | ||
| 0,45 | 13800 | 3079,47 | 212006 | 1,3 | ||
| 0,48 | 13047 | 2909,37 | 213643 | 1,4 | ||
| 0,67 | 9514 | 2079,97 | 221520 | 1,9 | DR975-80/4b | 790 |
| 0,75 | 8548 | 1867,46 | 223444 | 2,1 | ||
| 0,88 | 7282 | 1591,9 | 225838 | 2,5 | ||
| 1,0 | 6425 | 1403,36 | 227381 | 2,8 | ||
| 1,1 | 5704 | 1244,98 | 228630 | 3,2 | ||
| 1,3 | 5089 | 1110,06 | 229660 | 3,5 |

Если вы хотите купить цилиндрический редуктор DR975 и DR976 , вы можете:
Позвонить:
Российская Федерация
+7 (495) 369-04-89
+7 (910) 726-725-4 (МТС) Смоленск
info@tech-privod.com
Республика Беларусь
+375 17 272-04-08 (т/ф) Минск
+375 29 61-787-61 (A1) Минск
+7 (495) 369-04-89
+7 (910) 726-725-4 (МТС) Смоленск
info@tech-privod.com
Республика Беларусь
+375 17 272-04-08 (т/ф) Минск
+375 29 61-787-61 (A1) Минск
