Цилиндрический редуктор DR573 3,5 об/мин ... 8,0 об/мин
3,5 об/мин ... 8,0 об/мин
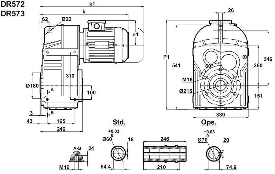
Двигатель переменного тока номинальной мощностью 750 Вт ( 0,75KW/2800 , 0,75KW/1400 , 0,75KW/900 , 0.75KW/700 ) в сборе с редукторным механизмом цилиндрического зацепления исполнением с параллельным выходным валом представляет собой трансмиссионный узел - мото редуктор DR573-80/4b и DR573-90S/6 .Скорость оборотов конца выходного исполнительного вала от 3,5 об/мин до 7,3 об/мин.
Крутящий момент доводимый до исполнительных устройств от 900 Нм до 1900 Нм.
Условное обозначение
Каталог D-series
| Обороты на выходном валу | Крутящий момент на выходном валу | Передаточное число | Радиальные нагрузки на выходной вал | Сервис фактор | Тип редуктора | Масса |
| n2 (об/мин-1) | M2 (Нм) | i | Fr (Н) | fs | m (кг) | |
| 3,5 | 1900 | 255,83 | 33058 | 1,6 | DR573-90S/6 | 157 |
| 4,3 | 1561 | 209,81 | 35374 | 1,9 | ||
| 4,7 | 1432 | 192,62 | 36273 | 2,1 | ||
| 5,5 | 1226 | 255,83 | 37431 | 2,4 | DR573-80/4b | 154 |
| 6,7 | 1007 | 209,81 | 38613 | 3,0 | ||
| 7,3 | 924 | 192,62 | 39034 | 3,2 |

Вернуться к выбору мощностей
Мотор-редуктор DR573 - является полным аналогом мотор-редуктор TNC53 / производства Tos-Znojmo , Чехия ; как технический аналог мотор-редуктор можно рассматривать относительно к моделям MPD125 и MPD125/3 , MPL125 и MPL125/3 / производства Siti , Италия ; S123 / производства Motovario , Италия ;SK5382 /производства Nord , Германия ; F602 и F603 / производства Bonfiglioli , Италия , ZF160B и ZF160C / производства Tramec , Италия .
Редуктор DT573 является аналогом редукторов PD125- , PD125/3 производства Siti / Италия ; ZA160B , ZA160C производства Tramec / Италия .
Если вы хотите купить цилиндрический редуктор DR573 , вы можете:
Позвонить:
Российская Федерация
+7 (495) 369-04-89
+7 (910) 726-725-4 (МТС) Смоленск
info@tech-privod.com
Республика Беларусь
+375 17 272-04-08 (т/ф) Минск
+375 29 61-787-61 (A1) Минск
+7 (495) 369-04-89
+7 (910) 726-725-4 (МТС) Смоленск
info@tech-privod.com
Республика Беларусь
+375 17 272-04-08 (т/ф) Минск
+375 29 61-787-61 (A1) Минск
