Цилиндрический редуктор DR473 4,0 об/мин ... 15 об/мин
4,0 об/мин ... 15 об/мин
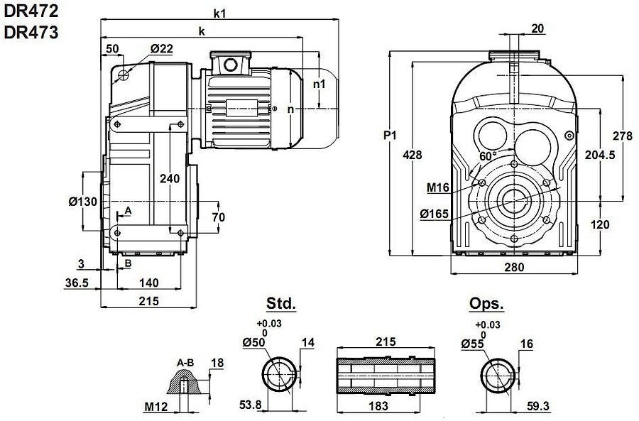
Цилиндрический мотор редуктор с параллельными валами DR473-90S/6 и DR473-80/4b - выпускается для мульти функционального использования в различных отраслях промышленности для передачи крутящих усилий 500Нм - 1600Нм , при первичной мощности ведомой установки 750Вт ( 220V , 380V ) , передаточные числа 1:95 , 1:101 , 1:120 1:140 , 1:155 1: 175 , 1:215 1:240 .Редукторные механизмы поставляются заправленными трансмиссионным маслом.
Имеются сервисные корпусные отверстия для корректной эксплуатации привода.
Условное обозначение
Каталог D-series
| Обороты на выходном валу | Крутящий момент на выходном валу | Передаточное число | Радиальные нагрузки на выходной вал | Сервис фактор | Тип редуктора | Масса |
| n2 (об/мин-1) | M2 (Нм) | i | Fr (Н) | fs | m (кг) | |
| 3,7 | 1804 | 242,68 | 13009 | 0,9 | DR473-90S/6 | 114 |
| 4,2 | 1598 | 215,03 | 16303 | 1,0 | ||
| 5,1 | 1303 | 174,97 | 19824 | 1,2 | ||
| 5,8 | 1164 | 242,68 | 21179 | 1,3 | DR473-80/4b | 111 |
| 6,5 | 1031 | 215,03 | 22342 | 1,5 | ||
| 8,0 | 841 | 174,97 | 23821 | 1,8 | ||
| 9,1 | 744 | 154,63 | 24498 | 2,1 | ||
| 10 | 666 | 138,35 | 25013 | 2,3 | ||
| 12 | 585 | 121,49 | 25511 | 2,6 | ||
| 14 | 489 | 101,48 | 26069 | 3,2 | ||
| 15 | 463 | 95,87 | 26219 | 3,4 |

Вернуться к выбору мощностей
Мотор-редуктор DR473 - является полным аналогом мотор-редуктор TNC43 / производства Tos-Znojmo , Чехия ; как технический аналог мотор-редуктор можно рассматривать к моделям MPD100 и MPD100/3 / производства Siti , Италия ; S103 / производства Motovario , Италия ; SK4382 /производства Nord , Германия ; F513 / производства Bonfiglioli , Италия , ZF125B и ZF125C / производства Tramec , Италия .
Редуктор DT473 является аналогом редукторов PL100- , PL100/3 производства Siti / Италия ; ZA125B , ZA125C производства Tramec / Италия.
Если вы хотите купить цилиндрический редуктор DR473 , вы можете:
Позвонить:
Российская Федерация
+7 (495) 369-04-89
+7 (910) 726-725-4 (МТС) Смоленск
info@tech-privod.com
Республика Беларусь
+375 17 272-04-08 (т/ф) Минск
+375 29 61-787-61 (A1) Минск
+7 (495) 369-04-89
+7 (910) 726-725-4 (МТС) Смоленск
info@tech-privod.com
Республика Беларусь
+375 17 272-04-08 (т/ф) Минск
+375 29 61-787-61 (A1) Минск
