Цилиндрический редуктор DR774 1,5 об/мин ... 3,0 об/мин
1,5 об/мин ... 3,0 об/мин
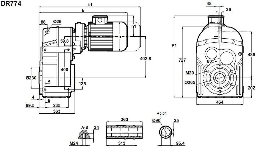
Четырех ступенчатый приводной механизм DR774-80/4b иDR774-90S/6 - мощный обще промышленного назначения цилиндрический мотор-редуктор, предназначенный для передачи крутящей вращающей мощности 2500 нм - 4600 нм, от первичной энергетической точки 0,75кВт (0,75kw) , напряжение 220 В , 380 В (220V , 380V), сети 50 Гц и 60 Гц (50Hz , 60 Hz), скоростные режимы выходного вала находятся в диапазоне: 1,4 - 2,9 оборотов в минуту.
Охватывающие различные пространственные варианты -монтажные расположения мотор редукторов М1 , М2 , М3, М4 , М5, М6.
Условное обозначение
Каталог D-series
| Обороты на выходном валу | Крутящий момент на выходном валу | Передаточное число | Радиальные нагрузки на выходной вал | Сервис фактор | Тип редуктора | Масса |
| n2 (об/мин-1) | M2 (Нм) | i | Fr (Н) | fs | m (кг) | |
| 1,4 | 4621 | 632,92 | 74126 | 1,7 | DR774-90S/6 | 301 |
| 1,6 | 4138 | 566,21 | 76103 | 1,9 | ||
| 1,8 | 3574 | 489,64 | 78248 | 2,2 | ||
| 2,2 | 2971 | 632,92 | 80355 | 2,7 | DR774-80/4b | 298 |
| 2,5 | 2660 | 566,21 | 81373 | 3,0 | ||
| 2,9 | 2298 | 489,64 | 82632 | 3,5 |

Вернуться к выбору мощностей
Мотор редуктор DR774 можно использовать как технический аналог к мотор редуктору SK7282 / 22 и SK7382 /32 / выпускаемых NORD , Германия ; мотор-редуктору F804 / производства Bonfiglioli , Италия.
Если вы хотите купить цилиндрический редуктор DR774 , вы можете:
Позвонить:
Российская Федерация
+7 (495) 369-04-89
+7 (910) 726-725-4 (МТС) Смоленск
info@tech-privod.com
Республика Беларусь
+375 17 272-04-08 (т/ф) Минск
+375 29 61-787-61 (A1) Минск
+7 (495) 369-04-89
+7 (910) 726-725-4 (МТС) Смоленск
info@tech-privod.com
Республика Беларусь
+375 17 272-04-08 (т/ф) Минск
+375 29 61-787-61 (A1) Минск
