Цилиндрический редуктор DR674 1,5 об/мин ... 5,0 об/мин
1,5 об/мин ... 5,0 об/мин
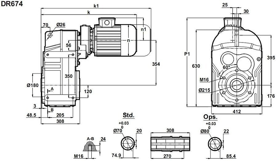
Цилиндрический мотор-редуктор с параллельным валом DR674-80/4b и DR674-90S/6 (насадной мотор редуктор , вертикально цилиндрический мотор-редуктор, торцевой мотор-редуктор , мотор-редуктор с полой втулкой на выходном валу) - электромотор с номиналом 0,75KW и эффективным четырех ступенчатым редукторным механизмом, достигаются высокие передаточные отношения: 280/1 , 320/1 , 360/1 , 425/1 , 500/1 , 600/1 , 675/1 .Вращающие моменты: 1300 Nm - 4300 Nm.
Гарантия на редуктор - 24 месяцев.
Условное обозначение
Каталог D-series
| Обороты на выходном валу | Крутящий момент на выходном валу | Передаточное число | Радиальные нагрузки на выходной вал | Сервис фактор | Тип редуктора | Масса |
| n2 (об/мин-1) | M2 (Нм) | i | Fr (Н) | fs | m (кг) | |
| 1,3 | 4917 | 675,51 | 21490 | 0,9 | DR674-90S/6 | 223 |
| 1,5 | 4385 | 601,90 | 28502 | 1,0 | ||
| 1,8 | 3731 | 512,73 | 34866 | 1,2 | ||
| 2,1 | 3161 | 675,51 | 39209 | 1,4 | DR674-80/4b | 223 |
| 2,3 | 2819 | 601,90 | 41526 | 1,5 | ||
| 2,7 | 2398 | 512,73 | 44021 | 1,8 | ||
| 3.3 | 1990 | 424,33 | 46152 | 2,2 | ||
| 3,9 | 1703 | 362,91 | 47585 | 2,5 | ||
| 4.3 | 1496 | 318,25 | 48519 | 2,9 | ||
| 5,0 | 1325 | 281,35 | 49254 | 3,2 |

Вернуться к выбору мощностей
Мотор редуктор DR674 можно использовать как технический аналог мотор редуктору SK6382 / 22 / выпускаемых NORD , Германия ; мотор-редуктору F704 / производства Bonfiglioli , Италия.
Если вы хотите купить цилиндрический редуктор DR674 , вы можете:
Позвонить:
Российская Федерация
+7 (495) 369-04-89
+7 (910) 726-725-4 (МТС) Смоленск
info@tech-privod.com
Республика Беларусь
+375 17 272-04-08 (т/ф) Минск
+375 29 61-787-61 (A1) Минск
+7 (495) 369-04-89
+7 (910) 726-725-4 (МТС) Смоленск
info@tech-privod.com
Республика Беларусь
+375 17 272-04-08 (т/ф) Минск
+375 29 61-787-61 (A1) Минск
