Цилиндрический редуктор DR875 и DR876    0,5 об/мин ... 1,5 об/мин
 0,5 об/мин ... 1,5 об/мин
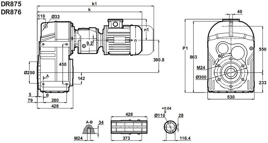
 Пяти ступенчатый и шести ступенчатый трансмиссионный узел с первоначальной энергетической мощностью 0,75KW представляется как мотор-редуктор DR875-80/4b и DR876-80/4b - цилиндрический привод с параллельным выходом вала, крепежные присоеденительные исполнения: с полым валом, с цельным валом, выходными фланцами, зажимным устройством, с экструдерной приставкой и прочее.
   Пяти ступенчатый и шести ступенчатый трансмиссионный узел с первоначальной энергетической мощностью 0,75KW представляется как мотор-редуктор DR875-80/4b и DR876-80/4b - цилиндрический привод с параллельным выходом вала, крепежные присоеденительные исполнения: с полым валом, с цельным валом, выходными фланцами, зажимным устройством, с экструдерной приставкой и прочее.Скорость оборотов на выходном валу: 0,47 об/мин - 1,7 об/мин.
Моменты: до 13500 нм.
Условное обозначение
Каталог D-series
| Обороты на выходном валу | Крутящий момент на выходном валу | Передаточное число | Радиальные нагрузки на выходной вал | Сервис фактор | Тип редуктора | Масса | 
| n2 (об/мин-1) | M2 (Нм) | i | Fr (Н) | fs | m (кг) | |
| 0,41 | 15177 | 3405,63 | 62978 | 0,9 | DR876-80/4b | 518 | 
| 0,47 | 13498 | 2964,88 | 73914 | 1,0 | DR875-80/4b | 508 | 
| 0,53 | 12118 | 2659,99 | 81417 | 1,1 | ||
| 0,59 | 10717 | 2356,74 | 87933 | 1,2 | ||
| 0,68 | 9340 | 2051,67 | 93651 | 1,4 | ||
| 0,77 | 8267 | 1813,10 | 97752 | 1,6 | DR875-80/4b | 508 | 
| 0,86 | 7399 | 1622,25 | 100729 | 1,8 | ||
| 0,98 | 6509 | 1424,58 | 103561 | 2,0 | ||
| 1,2 | 5450 | 1189,85 | 106665 | 2,4 | ||
| 1,3 | 4798 | 1046,63 | 108435 | 2,7 | ||
| 1,5 | 4260 | 928,31 | 109827 | 3,1 | ||
| 1,7 | 3807 | 828,93 | 110948 | 3,4 | 

Если вы хотите купить цилиндрический редуктор DR875 и DR876   , вы можете:
 Позвонить: 
Российская Федерация
+7 (495) 369-04-89
+7 (910) 726-725-4 (МТС) Смоленск
info@tech-privod.com
Республика Беларусь
+375 17 272-04-08 (т/ф) Минск
+375 29 61-787-61 (A1) Минск
+7 (495) 369-04-89
+7 (910) 726-725-4 (МТС) Смоленск
info@tech-privod.com
Республика Беларусь
+375 17 272-04-08 (т/ф) Минск
+375 29 61-787-61 (A1) Минск

 
 
 
 
 
 
 
 
 
