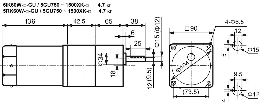
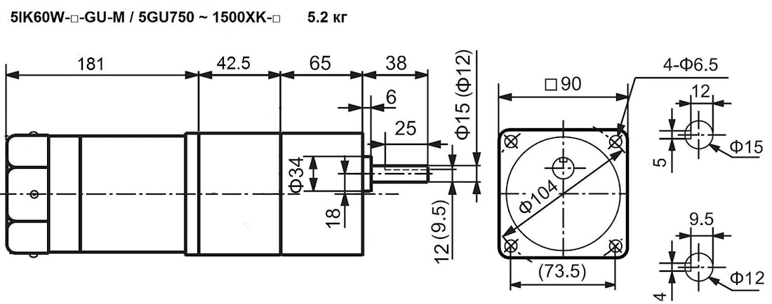
Мини мотор редуктор 5GU750 ... 1500 (60Вт) Номинальная мощность - 0,06 кВт Выходные обороты: 1,0 об/мин ... 2,2 об/мин
Номинальная мощность - 0,06 кВт
Выходные обороты: 1,0 об/мин ... 2,2 об/мин
Компактный линейный мотор-редуктор - 5GU750 ... 1500XK - электродвигатель и двухступенчатый редуктор.Электромеханические параметры привода:
Используемые модели мини электромоторов: 5IK60W-С1, 5RK60W-C2, 5IK60W-S2/S3, 5RK60W-C1, 5IK60W-C2, 5IK60W-С1-M, 5RK60W-C2-M.
Мощность мотора: 60 Ватт,
Напряжение: 1Ф:110 В (100 V) и 220 В (200 V) 3Ф: 220 В (220 V) и 380 В (380 V).
Питание: 50Гц (50Hz),
Конденсатор: 110В - 3,5мкФ, 220В - 14мкФ,
Номинальные потребляемые токи: 0,50А,
Пусковые моменты: 420мНм (420mN·m), 1100мНм (1100mNm)
Крутящий момент: 20Нм - 22Нм (20Nm - 22Nm),
Передаточное отношение i=750,i=900, i=1000, i=1200, i=1500.
Режим работы: S1-непрерывный – соответствует мотору 5IK60W, S3-прерывистый – соответствует мотору 5RK60W.
Гарантия от производителя - 12 месяцев.
Схема подключения
Опции
Условное обозначение
| Модель мотор-редуктора | Выходные обороты | Передаточное число | Крутящий момент | Масса | |||
| мотор | редуктор | вал | n2 (об/мин) | i | M2 (Нм) | m (кг) | |
![]() | ![]() | ||||||
| 5IK60W-GU 5RK60W-GU 5IK60W-GU-M | 5GU750XK | 12, 15 | 2.2 | 750 | 20.5 | Стандарт – 4.6 С тормозом – 5.1 | |
| 5GU900XK | 12, 15 | - | 1.6 | 900 | 20.5 | ||
| 5GU1000XK | 12, 15 | - | 1.5 | 1000 | 22 | ||
| 5GU1200XK | 12, 15 | - | 1.25 | 1200 | 22 | ||
| 5GU1500XK | 12, 15 | - | 1.0 | 1500 | 22 | ||
| Стандартная модель |
|
| Модель с электромагнитным тормозом |
|
Если вы хотите купить мини мотор редуктор 5GU750 ... 1500 (60Вт) , вы можете:
Позвонить:
Российская Федерация
+7 (495) 369-04-89
+7 (910) 726-725-4 (МТС) Смоленск
info@tech-privod.com
Республика Беларусь
+375 17 272-04-08 (т/ф) Минск
+375 29 61-787-61 (A1) Минск
+7 (495) 369-04-89
+7 (910) 726-725-4 (МТС) Смоленск
info@tech-privod.com
Республика Беларусь
+375 17 272-04-08 (т/ф) Минск
+375 29 61-787-61 (A1) Минск




