Мини мотор редуктор 5GU120 ... 600 (60 Ватт)    Номинальная мощность - 0,06 кВт  Выходные обороты: 2,5 об/мин ... 12,5 об/мин
 Номинальная мощность - 0,06 кВт 
 Выходные обороты: 2,5 об/мин ... 12,5 об/мин
 Универсальный мини мотор редуктор 5GU120 ... 600 - недорогой привод со средне скоростными динамическими характеристиками и номинальным крутящим моментом на выходном валу 20 Нм. Передаточные числа: i=120 ... i=600.
 Универсальный мини мотор редуктор 5GU120 ... 600 - недорогой привод со средне скоростными динамическими характеристиками и номинальным крутящим моментом на выходном валу 20 Нм. Передаточные числа: i=120 ... i=600.Мощность подводимого мотора 0,06кВт (однофазный или трехфазный). Предлагаемое напряжение: 110 В, 220 В и 380 В.
Пусковой момент в однофазном исполнении мотора - 0,4 Нм и используемые конденсаторы 3,5 мкФ и 14 мкФ.
Стартовый момент мотора в трехфазном исполнении – 1.1 Нм.
Предлагаются электромоторы для S1-характера работ (равномерное движение) – IK, и S3-характера работ (прерывистое и кратковременное движение) – RK.
Допустимые температуры эксплуатации -10С ~ +40С.
Схема подключения
Опции
Условное обозначение
| Модель мотор-редуктора | Выходные обороты | Передаточное число | Крутящий момент | Масса | |||
| мотор | редуктор | вал | n2 (об/мин) | i | M2 (Нм) | m (кг) | |
|  |  | ||||||
| 5IK60W-GU 5RK60W-GU 5IK60W-GU-M | 5GU120K | 12, 15 | - | 12.5 | 120 | 20 | Стандарт – 4.0 Фланец – 4.0 С тормозом – 4.5 | 
| 5GU150K | 12, 15 | - | 10 | 150 | 20 | ||
| 5GU180K | 12, 15 | - | 8.3 | 180 | 20 | ||
| 5GU200K | 12, 15 | - | 7.5 | 200 | 20 | ||
| 5GU250K | 12, 15 | - | 6.0 | 250 | 20 | ||
| 5GU300K | 12, 15 | - | 5.0 | 300 | 20 | ||
| 5GU400K | 12, 15 | - | 3.7 | 400 | 20 | ||
| 5GU500K | 12, 15 | - | 3.0 | 500 | 20 | ||
| 5GU600K | 12, 15 | - | 2.5 | 600 | 20 | ||
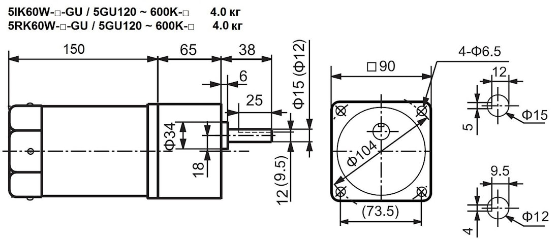
| Стандартная модель | 
|   | 
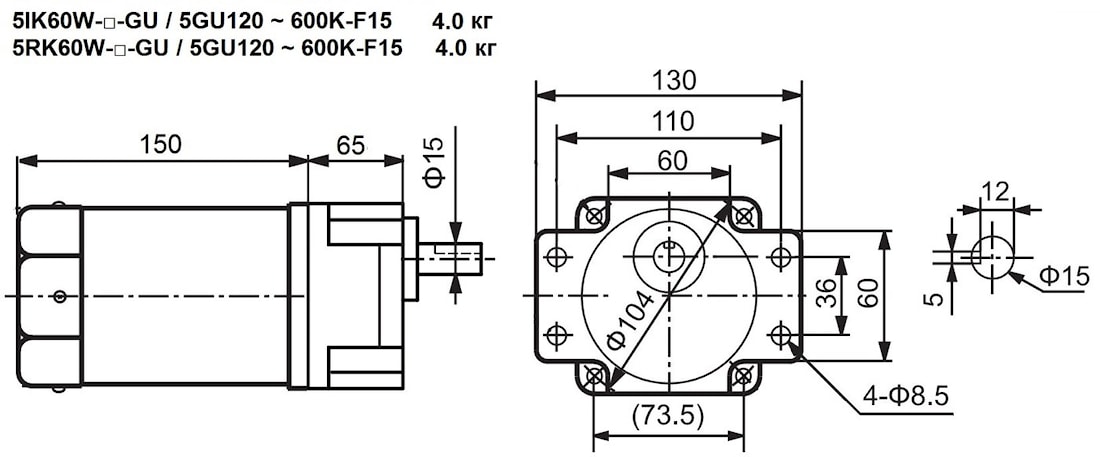
| Фланцевая модель | 
|   | 
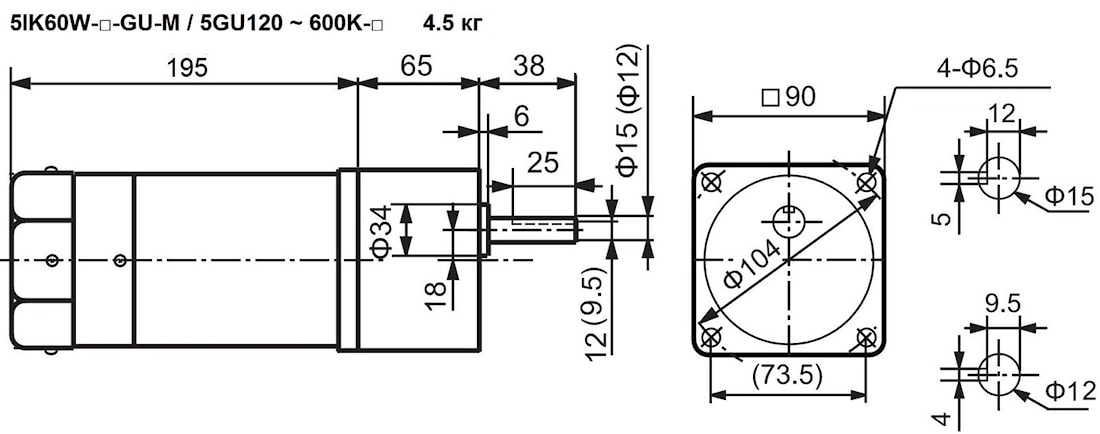
| Модель с электромагнитным тормозом | 
|   | 
Если вы хотите купить мини мотор редуктор 5GU120 ... 600 (60 Ватт)   , вы можете:
 Позвонить: 
Российская Федерация
+7 (495) 369-04-89
+7 (910) 726-725-4 (МТС) Смоленск
info@tech-privod.com
Республика Беларусь
+375 17 272-04-08 (т/ф) Минск
+375 29 61-787-61 (A1) Минск
+7 (495) 369-04-89
+7 (910) 726-725-4 (МТС) Смоленск
info@tech-privod.com
Республика Беларусь
+375 17 272-04-08 (т/ф) Минск
+375 29 61-787-61 (A1) Минск

 
 
 
 
 
 
 
