Мини мотор редуктор 5GU3 ... 10 (60 Ватт) Номинальная мощность - 0,06 кВт Выходные обороты: 150 об/мин ... 500 об/мин
Номинальная мощность - 0,06 кВт
Выходные обороты: 150 об/мин ... 500 об/мин
Небольшой, миниатюрный мотор-редуктор 5GU3 ... 10K предназначен для использования в различных областях: как промышленных, так и бытовых. Мини двигатель мощностью 60 Вт и редукторный механизм с передаточными числами от i=3.0 до i=10 представляют собой мотор-редуктор. Вращающий момент в зависимости от выбранного передаточного числа 1,2 Нм ~ 4,0 Нм.Спецификация электрических характеристик мотора (здесь):
Вольтаж: 110 V, 220 V и 380 V
Конденсатор: 4.0 мкФ / 15 мкФ (для однофазных версий)
Рабочие токи: 0,50 А и 1,0 А.
Схема подключения
Опции
Условное обозначение
| Модель мотор-редуктора | Выходные обороты | Передаточное число | Крутящий момент | Масса | |||
| Мотор | редуктор | вал | n2 (об/мин) | i | M2 (Нм) | m (кг) | |
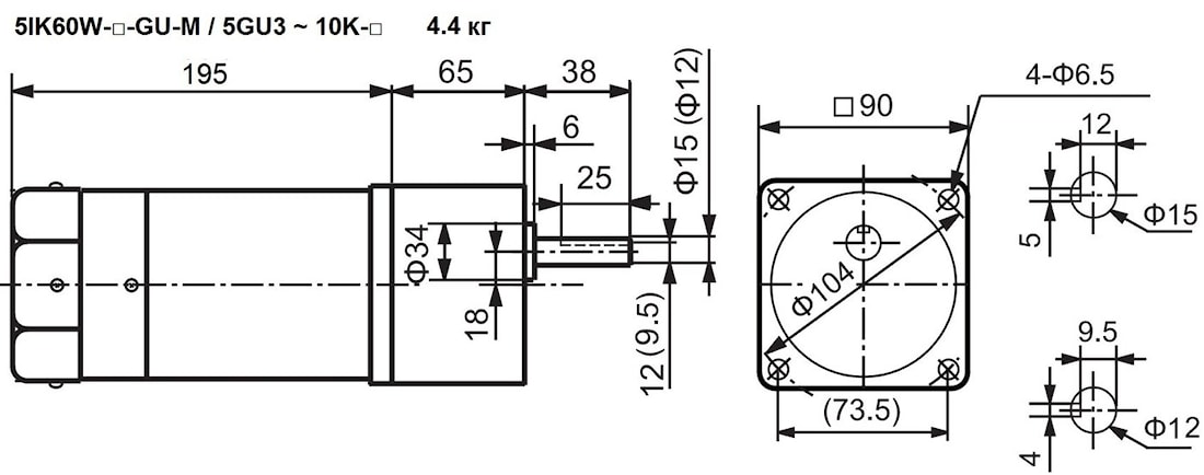
| 5IK60W-GU 5RK60W-GU 5IK60W-GU-M | 5GU3K | 12, 15 | - | 500 | 3.0 | 1.2 | Стандарт – 3.9 Фланец – 3.9 С тормозом – 4.4 |
| 5GU3.6K | 12, 15 | - | 416 | 3.6 | 1.4 | ||
| 5GU5K | 12, 15 | - | 300 | 5.0 | 2.0 | ||
| 5GU6K | 12, 15 | - | 250 | 6.0 | 2.4 | ||
| 5GU7.5K | 12, 15 | - | 200 | 7.5 | 3.0 | ||
| 5GU9K | 12, 15 | - | 166 | 9.0 | 3.6 | ||
| 5GU10K | 12, 15 | - | 150 | 10 | 4.0 | ||
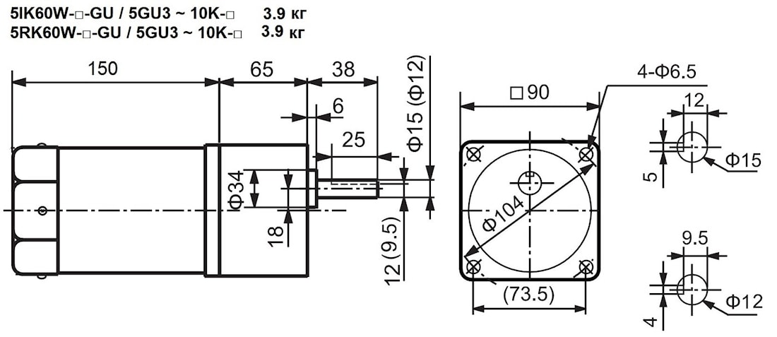
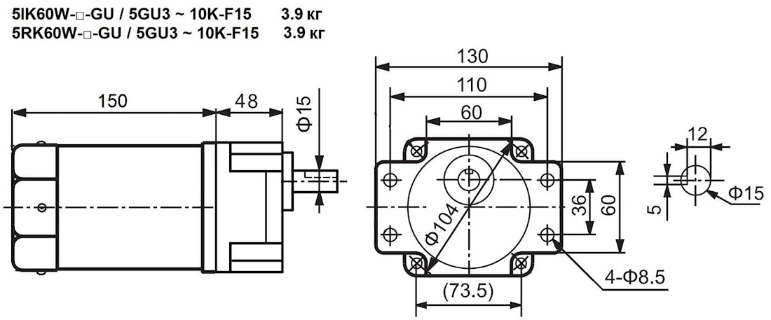
| Стандартная модель |
|
| Фланцевая модель |
|
| Модель с электромагнитным тормозом |
|
Если вы хотите купить мини мотор редуктор 5GU3 ... 10 (60 Ватт) , вы можете:
Позвонить:
Российская Федерация
+7 (495) 369-04-89
+7 (910) 726-725-4 (МТС) Смоленск
info@tech-privod.com
Республика Беларусь
+375 17 272-04-08 (т/ф) Минск
+375 29 61-787-61 (A1) Минск
+7 (495) 369-04-89
+7 (910) 726-725-4 (МТС) Смоленск
info@tech-privod.com
Республика Беларусь
+375 17 272-04-08 (т/ф) Минск
+375 29 61-787-61 (A1) Минск



