Низколюфтовой (прецизионный) редуктор с фланцем PLFN
Низколюфтовой (прецизионный) редуктор с фланцем PLFN 
Мощность и компактность: серия низколюфтовых редукторов PLFN наделена особыми требованиями к надежности. Эта модель редукторов характеризуется высоким уровнем устойчивости, с лучшей
производительностью, низким зазорными характеристиками при минимальных объемах.
Люфт: <3 (<1) arcmin
Выходной момент – 1800Nm
Эффективность - до 98%
Передаточное число: от 4: 1 до 100: 1
Низкий уровень шума - <65 дБ
ISO 9001
Фланец в соответствии с EN ISO 9409
Критичный крутящий момент редуктора PLFN
Входная скорость редуктора PLFN
Максимальный крутящий момент редуктора PLFN
Условные обозначения
Спецификация редуктора PLFN
Крутящий момент

Мощность и компактность: серия низколюфтовых редукторов PLFN наделена особыми требованиями к надежности. Эта модель редукторов характеризуется высоким уровнем устойчивости, с лучшей
производительностью, низким зазорными характеристиками при минимальных объемах.
Люфт: <3 (<1) arcmin
Выходной момент – 1800Nm
Эффективность - до 98%
Передаточное число: от 4: 1 до 100: 1
Низкий уровень шума - <65 дБ
ISO 9001
Фланец в соответствии с EN ISO 9409
Критичный крутящий момент редуктора PLFN
Входная скорость редуктора PLFN
Максимальный крутящий момент редуктора PLFN
Условные обозначения
Спецификация редуктора PLFN
| Кол-во ступеней | PLFN064 | PLFN090 | PLFN110 | PLFN140 | PLFN200 | |
| Ресурс работы, tL (ч) | Более 20 000 | |||||
| Ресурс при не полной загрузки, T2N*0.88, tL (ч) | Более 30 000 | |||||
| Эффективность при полной загрузке, η (%) | 1 | 98 | ||||
| 2 | 95 | |||||
| Температура, Tmin ~ Tmax (oC) | -25 ~ +90 | |||||
| Степень защиты | IP65 | |||||
| Стандартный люфт, jt (угл.мин) | 1 | <3 | ||||
| 2 | <5 | |||||
| Супер люфт, jt (угл.мин) | <2 | <1 | <1 | <1 | <1 | |
| Жесткость на кручение, cg(Нм/угл.мин) | 1 | 10.8-14.5 | 25.5-34.0 | 64-86 | 145-195 | 470-630 |
| 2 | 11.0-14.5 | 25.0-32.5 | 63-83 | 142-187 | 460-605 | |
| Момент инерции, J (кг*см2) | 1 | 0.217-0.289 | 0.580-0.920 | 2.036-2.942 | 7.313-12.365 | 26.880-61.170 |
| 2 | 0.209-0.244 | 0.211-0.269 | 0.546-0.737 | 1.947-2.760 | 6.896-11.720 | |
| Допустимые радиальные нагрузки для выработки в 20 000ч, Fr20000h (N) | 2400 | 4400 | 5500 | 12000 | 33000 | |
| Допустимые аксиальные нагрузки для выработки в 20 000ч, Fa20000h (N) | 4300 | 8200 | 9500 | 8500 | 16000 | |
| Допустимые радиальные нагрузки для выработки в 30 000ч, Fr30000h (N) | 2100 | 3900 | 4800 | 11000 | 29500 | |
| Допустимые аксиальные нагрузки для выработки в 30 000ч, Fa30000h (N) | 3800 | 7200 | 8400 | 7500 | 14000 | |
| Статические радиальные нагрузки, Frstat (N) | 2400 | 4400 | 5500 | 12000 | 33000 | |
| Статические аксиальные нагрузки, Frstat (N) | 4300 | 8200 | 9500 | 8500 | 16000 | |
| Вес, mG (кг) | 1 | 1.5 | 3 | 6.5 | 13 | 35.5 |
| 2 | 2.2 | 4 | 8 | 16 | 42.5 | |
| Шум, Qg (dB) | 60 | 62 | 65 | 70 | 74 | |
Крутящий момент
| Кол-во ступеней | Передаточное число | PLFN064 | PLFN090 | PLFN110 | PLFN140 | PLFN200 | |
| Номинальный крутящий момент, T2N (Нм) | 1 | 4 | 60 | 140 | 300 | 600 | 1300 |
| 5 | 65 | 140 | 260 | 750 | 1600 | ||
| 7 | 45 | 90 | 180 | 530 | 1300 | ||
| 8 | 40 | 80 | 150 | 450 | 1000 | ||
| 10 | 27 | 60 | 125 | 305 | 630 | ||
| 2 | 16 | 77 | 150 | 300 | 1000 | 1800 | |
| 20 | 77 | 150 | 300 | 1000 | 1800 | ||
| 25 | 65 | 140 | 260 | 900 | 1800 | ||
| 35 | 77 | 150 | 300 | 600 | 1800 | ||
| 40 | 65 | 140 | 260 | 750 | 1800 | ||
| 50 | 65 | 130 | 260 | 620 | 1525 | ||
| 70 | 40 | 80 | 150 | 450 | 1000 | ||
| 100 | 27 | 60 | 125 | 305 | 630 | ||
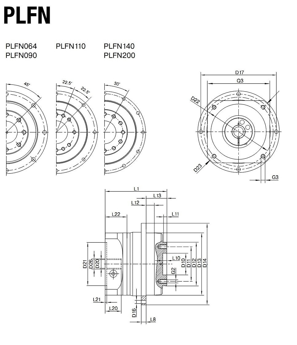
| Размеры |
|
| Кол-во ступеней | PLFN064 | PLFN090 | PLFN110 | PLFN140 | PLFN200 | |
| D10H7 | 20 | 31.5 | 40 | 50 | 80 | |
| D11 | 31.5 | 50 | 63 | 80 | 125 | |
| D12H7 | 40 | 63 | 80 | 100 | 160 | |
| D13H7 | 64 | 90 | 110 | 140 | 200 | |
| D14 | 86 | 118 | 145 | 179 | 247 | |
| D16 | 4.5 8x450 | 5.5 8xx450 | 5.5 8x22.50 | 6.6 12x300 | 9 12x300 | |
| D17 | 79 | 109 | 135 | 168 | 233 | |
| L8 | 4 | 7 | 8 | 10 | 12 | |
| L10 | 4.5 | 6.5 | 6.5 | 6.5 | 10 | |
| L11 | 3 | 6 | 6 | 6 | 8 | |
| L12 | 10 | 12 | 12 | 14 | 17.5 | |
| L13 | 19.5 | 30 | 29 | 38 | 50 | |
| Фланцевый выходной вал (по EN ISO 9409) | ||||||
| G2 | M5x7 8x450 | M6x10 8x450 | M6x12 12x300 | M8x15 12x300 | M10x20 12x30 | |
| Фланцевый выходной вал со шпоночным отверстием (по EN ISO 9409) | ||||||
| D15H7 | 5x5 | 6x6 | 6x6 | 8x8 | 10x10 | |
| G2 | M5x7 8x450 | M6x10 8x450 | M6x12 12x300 | M8x15 12x300 | M10x20 12x30 | |
Если вы хотите купить низколюфтовой (прецизионный) редуктор с фланцем PLFN , вы можете:
Позвонить:
Российская Федерация
+7 (495) 369-04-89
+7 (910) 726-725-4 (МТС) Смоленск
info@tech-privod.com
Республика Беларусь
+375 17 272-04-08 (т/ф) Минск
+375 29 61-787-61 (A1) Минск
+7 (495) 369-04-89
+7 (910) 726-725-4 (МТС) Смоленск
info@tech-privod.com
Республика Беларусь
+375 17 272-04-08 (т/ф) Минск
+375 29 61-787-61 (A1) Минск

