Низколюфтовой (прецизионной) редуктор с фланцем PLFE
Низколюфтовой (прецизионной) редуктор с фланцем PLFE

Высокий выходной крутящий момент, высокий уровень прочности и умеренное значение люфта - серия привода серво редуктора PLFE . Фланцевые прецизионные редукторы объединяют в себе компактность, экономичность, надежность .
Люфт: <9 ~12 arcmin
Крутящий момент – 500Nm
Высокая прочность привода
Высокая эффективность - до 97%
Передаточные числа: от 3: 1 до 100:1
Низкий уровень шума - <65 дБ
ISO 9001
Фланец в соответствии с EN ISO 9409
Критичный крутящий момент редуктора PLFE
Входная скорость редуктора PLFE
Максимальный крутящий момент редуктора PLFE
Условные обозначения
Спецификация редуктора PLFE
Крутящий момент

Высокий выходной крутящий момент, высокий уровень прочности и умеренное значение люфта - серия привода серво редуктора PLFE . Фланцевые прецизионные редукторы объединяют в себе компактность, экономичность, надежность .
Люфт: <9 ~12 arcmin
Крутящий момент – 500Nm
Высокая прочность привода
Высокая эффективность - до 97%
Передаточные числа: от 3: 1 до 100:1
Низкий уровень шума - <65 дБ
ISO 9001
Фланец в соответствии с EN ISO 9409
Критичный крутящий момент редуктора PLFE
Входная скорость редуктора PLFE
Максимальный крутящий момент редуктора PLFE
Условные обозначения
Спецификация редуктора PLFE
Крутящий момент
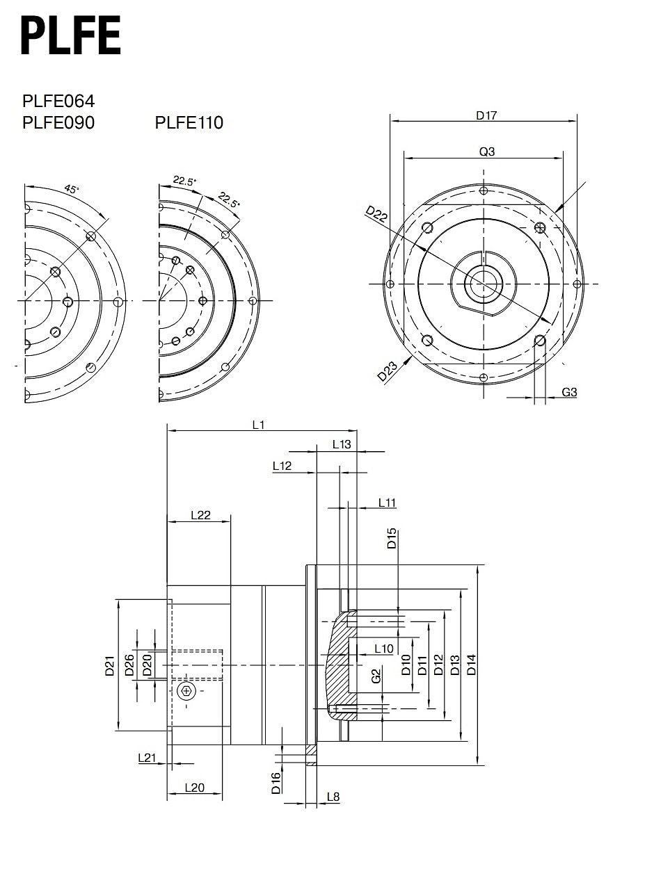
| Размеры |
|
| Кол-во ступеней | PLFE064 | PLFE090 | PLFE110 | |
| D10H7 | 20 | 31.5 | 40 | |
| D11 | 31.5 | 50 | 63 | |
| D12H7 | 40 | 63 | 80 | |
| D13H7 | 64 | 90 | 110 | |
| D14 | 86 | 118 | 145 | |
| D16 | 4.5 8x450 | 5.5 8x450 | 5.5 8x450 | |
| D17 | 79 | 109 | 135 | |
| L8 | 4 | 7 | 8 | |
| L10 | 4 | 6 | 6 | |
| L11 | 3 | 6 | 6 | |
| L12 | 7 | 10 | 10 | |
| L13 | 19.5 | 30 | 29 | |
| D15H7 | 5x6 | 6x7 | 6x7 | |
| G2 | 7xM5x7 | 7xM6x10 | 11xM6x12 |
Если вы хотите купить низколюфтовой (прецизионной) редуктор с фланцем PLFE , вы можете:
Позвонить:
Российская Федерация
+7 (495) 369-04-89
+7 (910) 726-725-4 (МТС) Смоленск
info@tech-privod.com
Республика Беларусь
+375 17 272-04-08 (т/ф) Минск
+375 29 61-787-61 (A1) Минск
+7 (495) 369-04-89
+7 (910) 726-725-4 (МТС) Смоленск
info@tech-privod.com
Республика Беларусь
+375 17 272-04-08 (т/ф) Минск
+375 29 61-787-61 (A1) Минск

