Цилиндрический редуктор DR172 80 об/мин ... 580 об/мин
80 об/мин ... 580 об/мин
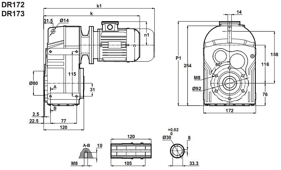
Цилиндрический мотор-редуктор DR172-90S/2 и DR172-90L/4 - одно скоростное двухступенчатое трансмиссионное механическое средство для извлечения вращающего момента на уровне 50Nm - 200Nm от электропривода мощностью 1,5кВт (1,5/3000 , 1,5/1500 , 1,5/1000 , 1,5/750) напряжение 220V , 380V , (50Hz), используя широкий ряд передаточных значений: i=4,8 , i=5,8 , i=6.7 , i=7,7 , i=9,5 , i=11,5 , i=13 , i=15 , i=17 , i=19 , i=21.Предлагаются разные крепежно-присоединительные исполнения: полый вал , выходной фланец, выходной вал , наружная приставка для смесителей и прочее.
Условное обозначение
Каталог D-series
| Обороты на выходном валу | Крутящий момент на выходном валу | Передаточное число | Радиальные нагрузки на выходной вал | Сервис фактор | Тип редуктора | Масса |
| n2 (об/мин-1) | M2 (Нм) | i | Fr (Н) | fs | m (кг) | |
| 64 | 214 | 21,79 | 3495 | 0,9 | DR172-90L/4 | 26 |
| 74 | 187 | 19,04 | 3468 | 1,1 | ||
| 78 | 175 | 17,86 | 3449 | 1,1 | ||
| 92 | 149 | 15,18 | 3387 | 1,3 | ||
| 106 | 130 | 13,19 | 3320 | 1,5 | ||
| 121 | 114 | 11,54 | 3248 | 1,8 | ||
| 147 | 94 | 9,54 | 3134 | 2,1 | ||
| 181 | 76 | 7,74 | 2946 | 2,4 | ||
| 208 | 66 | 6,72 | 2859 | 2,6 | ||
| 238 | 58 | 5,88 | 2774 | 2,8 | ||
| 288 | 48 | 4,86 | 2650 | 3,0 | ||
| 362 | 38 | 7,74 | 2501 | 3,8 | DR172-90S/2 | 23 |
| 417 | 33 | 6,72 | 2409 | 4,1 | ||
| 476 | 29 | 5,88 | 2323 | 4,5 | ||
| 576 | 24 | 4,86 | 2203 | 4,8 |

Вернуться к выбору мощностей
Мотор-редуктор DR172 - является полным аналогом мотор-редукторов TNC12, TNC 12, TN C12 (производства Tos-Znojmo / Чехия) ; как технический аналог мотор-редуктор можно рассматривать маркам м/редукторов MPL63 и MPL63/3 , MPL 63 и MPL 63 3 , M PL 63 и M PL63 3 (производства Siti /Италия) ; моторредукторов S052 и S053 , S 052 и S 05 3 , S 05 2 и S 053 (производства Motovario /Италия) ; редукторов SK1282, SK 1282, S K 12 82 (производства Nord /Германия) ; мотор-редукторов F202, F 20 2, F20 2 (производства Bonfiglioli /Италия).
Редуктор DT172 является аналогом редукторов PL63 , PL63/3 , PL 63 , PL 63 3 , P L 63 , PL 63-3 (прои зводства Siti /Италия).
Если вы хотите купить цилиндрический редуктор DR172 , вы можете:
Позвонить:
Российская Федерация
+7 (495) 369-04-89
+7 (910) 726-725-4 (МТС) Смоленск
info@tech-privod.com
Республика Беларусь
+375 17 272-04-08 (т/ф) Минск
+375 29 61-787-61 (A1) Минск
+7 (495) 369-04-89
+7 (910) 726-725-4 (МТС) Смоленск
info@tech-privod.com
Республика Беларусь
+375 17 272-04-08 (т/ф) Минск
+375 29 61-787-61 (A1) Минск
