Цилиндрический редуктор DR473 10 об/мин ... 25 об/мин
10 об/мин ... 25 об/мин
Обще промышленная зубчатая трансмиссия с цилиндрическим шестереночным зацеплением, параллельным валом на выходе представлена мотор редуктором DR473-90S/2 и DR473-90L/4.Подключаемый электрический мотор - 1,5 кВт (1,5KW).
Крутящий момент - 600Нм - 1500Нм.
Выходные обороты конца вала: 6,5 об/мин - 23 об/мин.
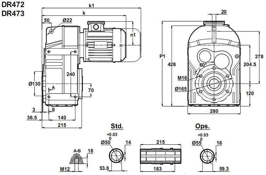
Предлагаемые исполнения: полый вал, полно тельный вал, выходной фланец, экструдерная приставка, backstop , ограничитель крутящего момента, с реактивным кронштейном и другие.
Условное обозначение
Каталог D-series
| Обороты на выходном валу | Крутящий момент на выходном валу | Передаточное число | Радиальные нагрузки на выходной вал | Сервис фактор | Тип редуктора | Масса |
| n2 (об/мин-1) | M2 (Нм) | i | Fr (Н) | fs | m (кг) | |
| 6,5 | 2065 | 215,03 | 6223 | 0,8 | DR473-90L/4 | 114 |
| 8,0 | 1684 | 174,97 | 15032 | 0,9 | ||
| 9,0 | 1490 | 154,63 | 17714 | 1,0 | ||
| 10 | 1333 | 138,35 | 19506 | 1,2 | ||
| 12 | 1172 | 121,49 | 21105 | 1,3 | ||
| 14 | 980 | 101,48 | 22757 | 1,6 | ||
| 15 | 927 | 95,87 | 23179 | 1,7 | ||
| 18 | 744 | 154,63 | 27354 | 2,1 | DR473-90S/2 | 112 |
| 20 | 665 | 138,35 | 25336 | 2,3 | ||
| 23 | 585 | 121,49 | 26156 | 2,5 |

Вернуться к выбору мощностей
Мотор-редуктор DR473 - является полным аналогом мотор-редуктор TNC43 / производства Tos-Znojmo , Чехия ; как технический аналог мотор-редуктор можно рассматривать к моделям MPD100 и MPD100/3 / производства Siti , Италия ; S103 / производства Motovario , Италия ; SK4382 /производства Nord , Германия ; F513 / производства Bonfiglioli , Италия , ZF125B и ZF125C / производства Tramec , Италия .
Редуктор DT473 является аналогом редукторов PL100- , PL100/3 производства Siti / Италия ; ZA125B , ZA125C производства Tramec / Италия.
Если вы хотите купить цилиндрический редуктор DR473 , вы можете:
Позвонить:
Российская Федерация
+7 (495) 369-04-89
+7 (910) 726-725-4 (МТС) Смоленск
info@tech-privod.com
Республика Беларусь
+375 17 272-04-08 (т/ф) Минск
+375 29 61-787-61 (A1) Минск
+7 (495) 369-04-89
+7 (910) 726-725-4 (МТС) Смоленск
info@tech-privod.com
Республика Беларусь
+375 17 272-04-08 (т/ф) Минск
+375 29 61-787-61 (A1) Минск
