Цилиндрический редуктор DR282 и DR283 25 об/мин ... 75 об/мин
25 об/мин ... 75 об/мин
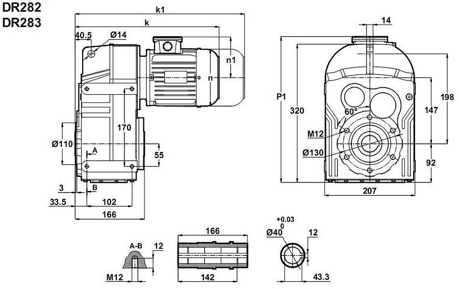
Мотор-редуктор DR282-90L/4 , DR283-90L/4 относится к классу цилиндрических трансмиссий с параллельным выходным валом (полым выходным валом). Подключаемая мощность - 1,5 кВт.Диапазон выходных оборотов: 20 - 75 об/мин.
Номинальный крутящий момент: 500 Nm.
Номинальные допустимые радиальные нагрузки на выходные валы порядком - 15000 Н.
Богатый выбор присоединительных принадлежностей: варианты выбора диаметров выходных фланцев, размеры полнотелых и полых валов, реактивных рычагов.
Условное обозначение
Каталог D-series
| Обороты на выходном валу | Крутящий момент на выходном валу | Передаточное число | Радиальные нагрузки на выходной вал | Сервис фактор | Тип редуктора | Масса |
| n2 (об/мин-1) | M2 (Нм) | i | Fr (Н) | fs | m (кг) | |
| 19 | 718 | 74,36 | 6490 | 0,8 | DR283-90L/4 | 40 |
| 22 | 604 | 62,55 | 9182 | 1,0 | ||
| 26 | 515 | 53,18 | 10732 | 1,2 | ||
| 31 | 441 | 45,56 | 11758 | 1,4 | ||
| 34 | 400 | 41,23 | 12279 | 1,5 | ||
| 47 | 293 | 29,85 | 13440 | 2,0 | DR282-90L/4 | 37 |
| 56 | 244 | 24,79 | 13901 | 2,5 | ||
| 66 | 209 | 21,28 | 14200 | 2,9 | ||
| 75 | 184 | 18,73 | 14483 | 3,2 |

Вернуться к выбору мощностей
Мотор редуктор DR282 и DR283 можно использовать как технический аналог мотор редукторов F312 и F313 , F 312 и F 31 3 , F3 1 2 и F31 3 (выпускаемых Bonfiglioli /Италия).
Если вы хотите купить цилиндрический редуктор DR282 и DR283 , вы можете:
Позвонить:
Российская Федерация
+7 (495) 369-04-89
+7 (910) 726-725-4 (МТС) Смоленск
info@tech-privod.com
Республика Беларусь
+375 17 272-04-08 (т/ф) Минск
+375 29 61-787-61 (A1) Минск
+7 (495) 369-04-89
+7 (910) 726-725-4 (МТС) Смоленск
info@tech-privod.com
Республика Беларусь
+375 17 272-04-08 (т/ф) Минск
+375 29 61-787-61 (A1) Минск
