Цилиндрический редуктор DR674 2,5 об/мин ... 4,0 об/мин
2,5 об/мин ... 4,0 об/мин
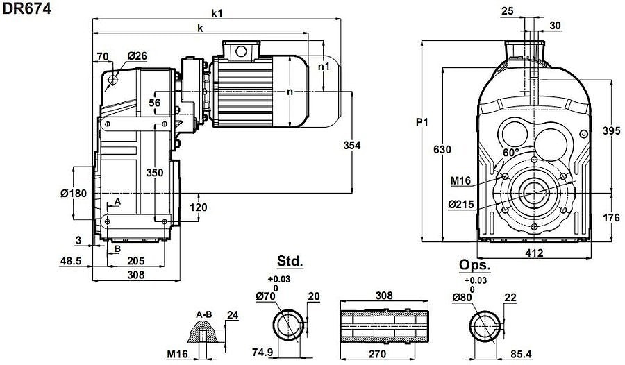
Цилиндрический редуктор DR674-90L/4 служит для получения крутящего момента 3500нм - 4000нм, используя четырех стадийный редукторный механизм с меж осевым расстоянием 354мм., с передаточными отношениями: i=360 ... i=510, подключаемый от электрической установки эквивалентной мощности 1,5 кВт ( 1,5 HP ).Допустимые радиальные нагрузки на выходные валы: 30000Н.
Исполнения редуктора: полый вал, цельный вал, выходной фланец, с реактивной штангой, с пристакой с повышенным уровнем принимаемых радиально-осевых нагрузок для смесителей и др.
Условное обозначение
Каталог D-series
| Обороты на выходном валу | Крутящий момент на выходном валу | Передаточное число | Радиальные нагрузки на выходной вал | Сервис фактор | Тип редуктора | Масса |
| n2 (об/мин-1) | M2 (Нм) | i | Fr (Н) | fs | m (кг) | |
| 2,7 | 4797 | 512,73 | 23377 | 0,9 | DR674-90L/4 | 228 |
| 3,3 | 3980 | 424,33 | 32655 | 1,1 | ||
| 3,9 | 3407 | 362,91 | 37454 | 1,3 |

Вернуться к выбору мощностей
Мотор редуктор DR674 можно использовать как технический аналог мотор редуктору SK6382 / 22 / выпускаемых NORD , Германия ; мотор-редуктору F704 / производства Bonfiglioli , Италия.
Если вы хотите купить цилиндрический редуктор DR674 , вы можете:
Позвонить:
Российская Федерация
+7 (495) 369-04-89
+7 (910) 726-725-4 (МТС) Смоленск
info@tech-privod.com
Республика Беларусь
+375 17 272-04-08 (т/ф) Минск
+375 29 61-787-61 (A1) Минск
+7 (495) 369-04-89
+7 (910) 726-725-4 (МТС) Смоленск
info@tech-privod.com
Республика Беларусь
+375 17 272-04-08 (т/ф) Минск
+375 29 61-787-61 (A1) Минск
