Цилиндрический редуктор DR272 и DR273 35 об/мин ... 140 об/мин
35 об/мин ... 140 об/мин
Совершенное техническое решение по передачи крутящего момента в промышленных условиях, - предлагается как цилиндрический мотор-редуктор DR272-90L/4 или DR273-90L/4.Двух- ступенчатый и трех- ступенчатый многопрофильный привод с общепромышленными электродвигателем мощностью - 1,5KW.
Широкий диапазон передаточных чисел: i=10 ... i=60.
Крутящий передаваемый момент: 200Нм - 400Нм.
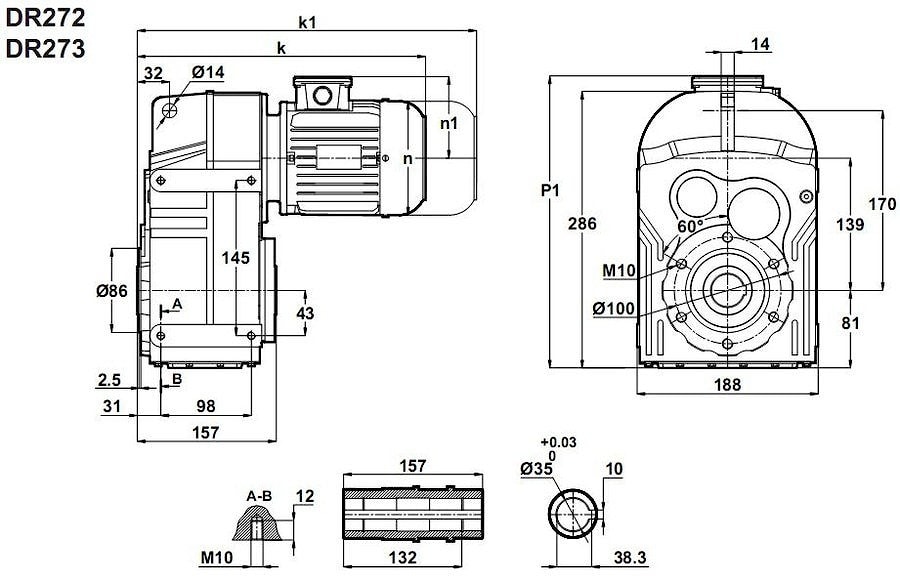
Радиальные нагрузки на выходные валы: 13000Н.
Гарантия - 24 месяца.
Условное обозначение
Каталог D-series
| Обороты на выходном валу | Крутящий момент на выходном валу | Передаточное число | Радиальные нагрузки на выходной вал | Сервис фактор | Тип редуктора | Масса |
| n2 (об/мин-1) | M2 (Нм) | i | Fr (Н) | fs | m (кг) | |
| 23 | 582 | 60,39 | 9589 | 0,8 | DR273-90L/4 | 33 |
| 28 | 486 | 50,36 | 11395 | 0,9 | ||
| 33 | 408 | 42,22 | 12570 | 1,1 | ||
| 38 | 352 | 36,38 | 13295 | 1,3 | ||
| 46 | 294 | 30,34 | 13954 | 1,5 | ||
| 54 | 253 | 25,78 | 14376 | 1,8 | DR272-90L/4 | 31 |
| 62 | 222 | 22,67 | 14664 | 2,0 | ||
| 66 | 209 | 21,33 | 14782 | 2,1 | ||
| 77 | 179 | 18,25 | 15044 | 2,5 | ||
| 88 | 157 | 16,00 | 15220 | 2,9 | ||
| 99 | 139 | 14,14 | 15009 | 3,2 | ||
| 118 | 117 | 11,90 | 14333 | 3,8 | ||
| 138 | 100 | 10,11 | 13717 | 4,3 |

Вернуться к выбору мощностей
Мотор-редуктор DR272 и DR273 - является полным аналогом мотор-редукторов TNC22 и TNC23 , TNC 22 и T NC 23 , TNC 2 2 и TN C 2 3 (производства Tos-Znojmo/Чехия ); можно рассматривать как технический аналог мотор-редукторов маркам MPL80 и MPL80/3 , MPD63 и MPD60/3 , MPL 80 и M PL 80 3 , MPD 63 и M PD60 3 , M PL80 и M PL 80 3 , M PD63 и MP D 63 3 (производства Siti/Италия); м/редукторов S062 и S063 , S 062 и S 063 , S 06 2 и S 06 3 (производства Motovario/Италия); SK2282 и SK2382 , SK 2282 и SK 23 82 , S K 2282 и SK 2382 (производства Nord/Германия); моторедуктор F252 и F253 , F 252 и F 25 3 , F 25 2 и F2 53 (производства Bonfiglioli/Италия).
Редуктор DT272 и DT273 является аналогом редукторов PL80- , PL80/3 , PD63- , PD63/3 , PL 80 , PL 80 3 , PD 63 , PD 63.3 , P L 80 , P L80 3 , P D 63 , P D 63 3 (производства Siti / Италия), редукторов ZA80B , ZA80C , ZA 80B , ZA 80 C , Z A 80B , ZA 80C (производства Tramec / Италия).
Если вы хотите купить цилиндрический редуктор DR272 и DR273 , вы можете:
Позвонить:
Российская Федерация
+7 (495) 369-04-89
+7 (910) 726-725-4 (МТС) Смоленск
info@tech-privod.com
Республика Беларусь
+375 17 272-04-08 (т/ф) Минск
+375 29 61-787-61 (A1) Минск
+7 (495) 369-04-89
+7 (910) 726-725-4 (МТС) Смоленск
info@tech-privod.com
Республика Беларусь
+375 17 272-04-08 (т/ф) Минск
+375 29 61-787-61 (A1) Минск
