Цилиндрический редуктор DR373 20 об/мин ... 45 об/мин
20 об/мин ... 45 об/мин
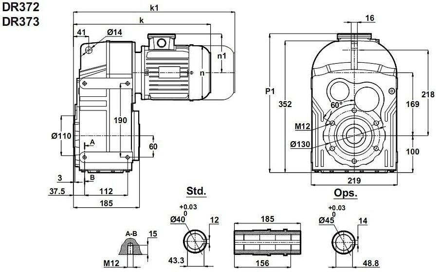
К классу средне скоростных зубчатых передач можно отнести:трех ступенчатый цилиндрический мотор-редуктор с параллельным выходным валом DR373-90L/4 с подключаемой мощностью - 1,5 KW (2,0 HP), и диапазоном передаточных трансмиссионных делителей: i=32 , i=35 , i=41 , i=52 , i=57 , i=67 , i=79 , i=94 , i=106 .
Вращательные моменты в зависимости выходных скоростей от 13об/мин до 44об/мин соответственно достигают 300 + 700 ньютонов/метр.
Гарантия - 24 месяца
Условное обозначение
Каталог D-series
| Обороты на выходном валу | Крутящий момент на выходном валу | Передаточное число | Радиальные нагрузки на выходной вал | Сервис фактор | Тип редуктора | Масса |
| n2 (об/мин-1) | M2 (Нм) | i | Fr (Н) | fs | m (кг) | |
| 13 | 1026 | 106,69 | 7943 | 0,8 | DR373-90L/4 | 78 |
| 15 | 908 | 94,32 | 10507 | 0,9 | ||
| 18 | 765 | 79,34 | 12791 | 1,1 | ||
| 21 | 651 | 67,45 | 14238 | 1,3 | ||
| 24 | 559 | 57,79 | 15245 | 1,5 | ||
| 27 | 506 | 52,30 | 15763 | 1,6 | ||
| 34 | 401 | 41,42 | 16967 | 2,0 | ||
| 39 | 344 | 35,49 | 17681 | 2,2 | ||
| 44 | 312 | 32,11 | 18060 | 2,3 |

Вернуться к выбору мощностей
Мотор-редуктор DR373 - является полным аналогом мотор-редуктор TNC33 производства Tos-Znojmo , Чехия ; MPD80 и MPD80/3 / производства Siti , Италия ; как технический аналог мотор-редуктор можно рассматривать к моделям MPL100 и MPL100/3 / производства Siti , Италия ; S083 / производства Motovario , Италия ; SK3382 /производства Nord , Германия ; F413 / производства Bonfiglioli , Италия , ZF100B и ZF100C / производства Tramec , Италия .
Редуктор DT373 является аналогом редукторов PL100- , PL100/3 , PD80- , PD80/3 производства Siti / Италия ; ZA100B , ZA100C производства Tramec / Италия .
Если вы хотите купить цилиндрический редуктор DR373 , вы можете:
Позвонить:
Российская Федерация
+7 (495) 369-04-89
+7 (910) 726-725-4 (МТС) Смоленск
info@tech-privod.com
Республика Беларусь
+375 17 272-04-08 (т/ф) Минск
+375 29 61-787-61 (A1) Минск
+7 (495) 369-04-89
+7 (910) 726-725-4 (МТС) Смоленск
info@tech-privod.com
Республика Беларусь
+375 17 272-04-08 (т/ф) Минск
+375 29 61-787-61 (A1) Минск
