Цилиндрический редуктор DR573 4,5 об/мин ... 15 об/мин
4,5 об/мин ... 15 об/мин
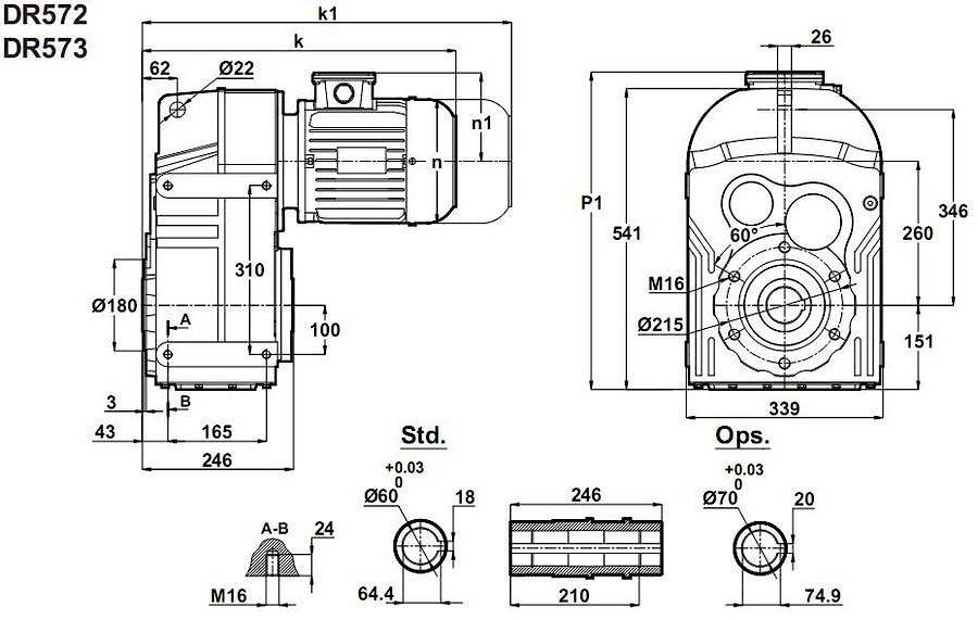
Многопрофильная универсальная промышленная машина по передаче крутящего момента: DR573-90S/2 (в конфигурации с двухполюсным мотором), DR573-90L/4 (в конфигурации с четырех полюсным мотором), DR573-100L/6 (в конфигурации с шести полюсным мотором), при подводимым электродвигателем - 1,5кВт (1,5KW).Вращающие моменты - 1000Нм - 3000Нм.
Скорость оборотов выходного вала (выполненный в виде полого вала, цельный вал, с выходным фланцем): 4,3 об/мин - 15 об/мин.
Гарантия - 24 месяцев.
Условное обозначение
Каталог D-series
| Обороты на выходном валу | Крутящий момент на выходном валу | Передаточное число | Радиальные нагрузки на выходной вал | Сервис фактор | Тип редуктора | Масса |
| n2 (об/мин-1) | M2 (Нм) | i | Fr (Н) | fs | m (кг) | |
| 4,3 | 3123 | 209,81 | 20395 | 1,0 | DR573-100L/6 | 167 |
| 5,5 | 2455 | 255,83 | 28370 | 1,2 | DR573-90L/4 | 158 |
| 6,7 | 2017 | 209,81 | 32160 | 1,5 | ||
| 7,3 | 1852 | 192,62 | 33408 | 1,6 | ||
| 8,3 | 1623 | 168,60 | 34980 | 1,8 | ||
| 9,4 | 1438 | 149,15 | 36184 | 2,1 | ||
| 11 | 1217 | 126,06 | 37471 | 2,5 | ||
| 13 | 1007 | 209,81 | 38619 | 3,0 | DR573-90S/2 | 156 |
| 15 | 924 | 192,62 | 39021 | 3,2 |

Вернуться к выбору мощностей
Мотор-редуктор DR573 - является полным аналогом мотор-редуктор TNC53 / производства Tos-Znojmo , Чехия ; как технический аналог мотор-редуктор можно рассматривать относительно к моделям MPD125 и MPD125/3 , MPL125 и MPL125/3 / производства Siti , Италия ; S123 / производства Motovario , Италия ;SK5382 /производства Nord , Германия ; F602 и F603 / производства Bonfiglioli , Италия , ZF160B и ZF160C / производства Tramec , Италия .
Редуктор DT573 является аналогом редукторов PD125- , PD125/3 производства Siti / Италия ; ZA160B , ZA160C производства Tramec / Италия .
Если вы хотите купить цилиндрический редуктор DR573 , вы можете:
Позвонить:
Российская Федерация
+7 (495) 369-04-89
+7 (910) 726-725-4 (МТС) Смоленск
info@tech-privod.com
Республика Беларусь
+375 17 272-04-08 (т/ф) Минск
+375 29 61-787-61 (A1) Минск
+7 (495) 369-04-89
+7 (910) 726-725-4 (МТС) Смоленск
info@tech-privod.com
Республика Беларусь
+375 17 272-04-08 (т/ф) Минск
+375 29 61-787-61 (A1) Минск
