Цилиндрический редуктор DR172 и DR173 20 об/мин ... 580 об/мин
20 об/мин ... 580 об/мин
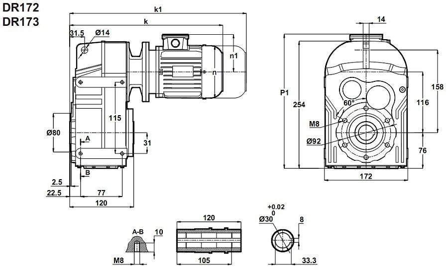
Цилиндрическая механическая передача с параллельными валами изготавливается под маркировкой DR172-71/2a , DR172-71/4b , DR173-71/4b с мотором номинальной мощностью 0,37кВт (среди асинхрнонных электродвигателей - это 0,37кВт/3000об , 0,37кВт/1500об , 0,37кВт/1000об , 0,37кВт/750об.)Редуктор использует большой ряд передаточных чисел , поэтому обслуживает , практически, всю линейку скоростей для мощности 370Вт - от 14 об//мин ... 500об/мин.
Моменты варьируются : 10Nm - 200Nm.
Условное обозначение
Каталог D-series
| Обороты на выходном валу | Крутящий момент на выходном валу | Передаточное число | Радиальные нагрузки на выходной вал | Сервис фактор | Тип редуктора | Масса |
| n2 (об/мин-1) | M2 (Нм) | i | Fr (Н) | fs | m (кг) | |
| 14 | 244 | 103,34 | 4432 | 0,8 | DR173-71/4b | 21 |
| 15 | 215 | 91,25 | 5162 | 0,9 | ||
| 16 | 201 | 85,23 | 5472 | 1,0 | ||
| 19 | 170 | 72,04 | 6033 | 1,2 | ||
| 23 | 142 | 60,16 | 5973 | 1,4 | ||
| 27 | 123 | 51,88 | 5771 | 1,6 | ||
| 29 | 113 | 47,81 | 5659 | 1,8 | ||
| 31 | 106 | 44,66 | 5564 | 1,9 | ||
| 37 | 89 | 37,75 | 5331 | 2,2 | ||
| 44 | 75 | 31,52 | 5083 | 2,7 | ||
| 47 | 71 | 29,67 | 5001 | 2,8 | DR172-71/4b | 19 |
| 55 | 61 | 25,24 | 4783 | 3,3 | ||
| 64 | 52 | 21,79 | 4589 | 3,8 | ||
| 74 | 46 | 19,04 | 4414 | 4,4 | ||
| 78 | 43 | 17,86 | 4332 | 4,6 | ||
| 92 | 37 | 15,18 | 4131 | 5,5 | ||
| 106 | 32 | 13,19 | 3961 | 6,3 | ||
| 121 | 28 | 11,54 | 3805 | 7,2 | ||
| 147 | 23 | 9,54 | 3591 | 8,7 | ||
| 181 | 19 | 7,74 | 3354 | 9,7 | ||
| 208 | 16 | 6,72 | 3211 | 10,5 | ||
| 238 | 14 | 5,88 | 3081 | 11,3 | ||
| 288 | 12 | 4,86 | 2902 | 12,4 | ||
| 362 | 9 | 7,74 | 2700 | 15,7 | DR172-71/2a | 18 |
| 417 | 8 | 6,72 | 2581 | 16,9 | ||
| 476 | 7 | 5,88 | 2473 | 18,6 | ||
| 576 | 6 | 4,86 | 2327 | 19,9 |

Вернуться к выбору мощностей
Мотор-редуктор DR172 и DR173 - является полным аналогом мотор-редукторов TNC12 и TNC13 , TNC 12 и TNC 13 , TN C12 и TN C 13 (производства Tos-Znojmo / Чехия) ; как технический аналог мотор-редуктор можно рассматривать маркам м/редукторов MPL63 и MPL63/3 , MPL 63 и MPL 63 3 , M PL 63 и M PL63 3 (производства Siti /Италия) ; моторредукторов S052 и S053 , S 052 и S 05 3 , S 05 2 и S 053 (производства Motovario /Италия) ; редукторов SK1282 и SK1382NB , SK 1282 и SK 1382NB , S K 12 82 и SK 1382 NB (производства Nord /Германия) ; мотор-редукторов F202 и F203 , F 20 2 и F 20 3 , F20 2 и F20 3 (производства Bonfiglioli /Италия). Редуктор DT172 и DT173 является аналогом редукторов PL63 , PL63/3 , PL 63 , PL 63 3 , P L 63 , PL 63-3 (прои зводства Siti /Италия).
Если вы хотите купить цилиндрический редуктор DR172 и DR173 , вы можете:
Позвонить:
Российская Федерация
+7 (495) 369-04-89
+7 (910) 726-725-4 (МТС) Смоленск
info@tech-privod.com
Республика Беларусь
+375 17 272-04-08 (т/ф) Минск
+375 29 61-787-61 (A1) Минск
+7 (495) 369-04-89
+7 (910) 726-725-4 (МТС) Смоленск
info@tech-privod.com
Республика Беларусь
+375 17 272-04-08 (т/ф) Минск
+375 29 61-787-61 (A1) Минск
