Цилиндрический редуктор DR273 7,5 об/мин ... 40 об/мин
7,5 об/мин ... 40 об/мин
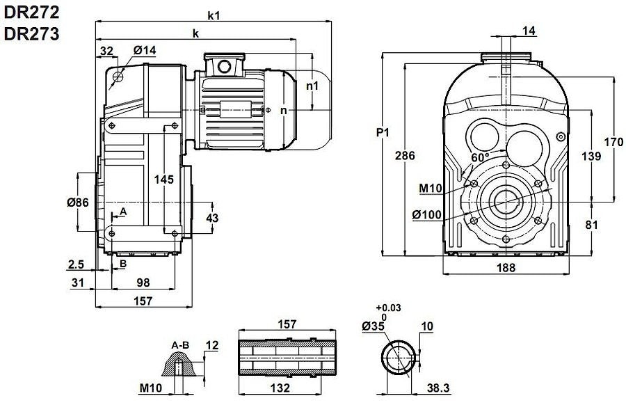
Зубчатая передача DR273-71/4b и DR273-80/6a с параллельными выходным валом, исполнение которого может быть полой втулкой, цельным валом, выходным фланцем, реактивной штангой и др., приводимая от электромотора 0,37кВт.Вращательный момент усилия - 100Nm ~ 400Nm.
Обороты исполнительного вала : 8,0 об/мин ~ 38 об/мин.
Монтажные расположения : М1 , М2 , М3 , М4 , М5 , М6 .
Гарантийные обязательства : 24 месяца.
Условное обозначение
Каталог D-series
| Обороты на выходном валу | Крутящий момент на выходном валу | Передаточное число | Радиальные нагрузки на выходной вал | Сервис фактор | Тип редуктора | Масса |
| n2 (об/мин-1) | M2 (Нм) | i | Fr (Н) | fs | m (кг) | |
| 6,5 | 504 | 137,94 | 11092 | 0,9 | DR273-80/6a | 28 |
| 7,5 | 441 | 120,49 | 12105 | 1,0 | ||
| 8,0 | 414 | 113,02 | 12494 | 1,1 | ||
| 9,4 | 352 | 96,09 | 13296 | 1,3 | ||
| 10 | 325 | 137,94 | 13610 | 1,4 | DR273-71/4b | 25 |
| 12 | 284 | 120,49 | 14056 | 1,6 | ||
| 13 | 267 | 113,02 | 14236 | 1,7 | ||
| 15 | 227 | 96,09 | 14623 | 2,0 | ||
| 17 | 197 | 83,46 | 14890 | 2,3 | ||
| 19 | 173 | 73,03 | 15098 | 2,6 | ||
| 23 | 143 | 60,39 | 15333 | 3,1 | ||
| 28 | 119 | 50,36 | 15508 | 3,8 | ||
| 33 | 100 | 42,22 | 15641 | 4,5 | ||
| 38 | 86 | 36,38 | 15732 | 5,2 |

Вернуться к выбору мощностей
Мотор-редуктор DR272 и DR273 - является полным аналогом мотор-редукторов TNC22 и TNC23 , TNC 22 и T NC 23 , TNC 2 2 и TN C 2 3 (производства Tos-Znojmo/Чехия ); можно рассматривать как технический аналог мотор-редукторов маркам MPL80 и MPL80/3 , MPD63 и MPD60/3 , MPL 80 и M PL 80 3 , MPD 63 и M PD60 3 , M PL80 и M PL 80 3 , M PD63 и MP D 63 3 (производства Siti/Италия); м/редукторов S062 и S063 , S 062 и S 063 , S 06 2 и S 06 3 (производства Motovario/Италия); SK2282 и SK2382 , SK 2282 и SK 23 82 , S K 2282 и SK 2382 (производства Nord/Германия); моторедуктор F252 и F253 , F 252 и F 25 3 , F 25 2 и F2 53 (производства Bonfiglioli/Италия).
Редуктор DT272 и DT273 является аналогом редукторов PL80- , PL80/3 , PD63- , PD63/3 , PL 80 , PL 80 3 , PD 63 , PD 63.3 , P L 80 , P L80 3 , P D 63 , P D 63 3 (производства Siti / Италия), редукторов ZA80B , ZA80C , ZA 80B , ZA 80 C , Z A 80B , ZA 80C (производства Tramec / Италия).
Если вы хотите купить цилиндрический редуктор DR273 , вы можете:
Позвонить:
Российская Федерация
+7 (495) 369-04-89
+7 (910) 726-725-4 (МТС) Смоленск
info@tech-privod.com
Республика Беларусь
+375 17 272-04-08 (т/ф) Минск
+375 29 61-787-61 (A1) Минск
+7 (495) 369-04-89
+7 (910) 726-725-4 (МТС) Смоленск
info@tech-privod.com
Республика Беларусь
+375 17 272-04-08 (т/ф) Минск
+375 29 61-787-61 (A1) Минск
