Цилиндрический редуктор DR574 1,0 об/мин ... 3,0 об/мин
1,0 об/мин ... 3,0 об/мин
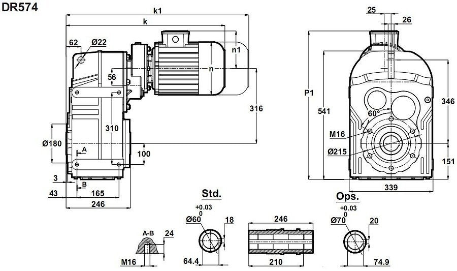
Цилиндрический;трансмиссионный;передаточный агрегат ; четырех ступенчатой механической доставкой и последующей передачей крутящего момента 1100Нм - 2500Нм к исполнительным узлам и устройствам ; DR574-71/4b , DR574-80/6a.Электродвигатель - 0,37кВт ( 220V/380V ): 0.37/3000 , 0,37/1500 , 0,37/1000 , 0,37/750 .
Предлагаемые передаточные числа: 500/1 , 600/1 , 720/1 .
Геометрические расположения : М1 , М2, М3 , М4, М5, М6 .
Адаптация привода к заданным габаритно-присоеденительным размерам.
Условное обозначение
Каталог D-series
| Обороты на выходном валу | Крутящий момент на выходном валу | Передаточное число | Радиальные нагрузки на выходной вал | Сервис фактор | Тип редуктора | Масса |
| n2 (об/мин-1) | M2 (Нм) | i | Fr (Н) | fs | m (кг) | |
| 1,2 | 2588 | 720,91 | 27006 | 1,2 | DR574-80/6a | 160 |
| 1,5 | 2190 | 609,29 | 30701 | 1,4 | ||
| 1,8 | 1796 | 499,72 | 33781 | 1,7 | ||
| 1,9 | 1664 | 720,91 | 34692 | 1,8 | DR574-71/4b | 159 |
| 2,3 | 1408 | 609,29 | 36343 | 2,1 | ||
| 2,8 | 1155 | 499,72 | 37807 | 2,6 |

Вернуться к выбору мощностей
Мотор редуктор DR574 можно использовать как технический аналог мотор редуктору SK5282 / 12 / выпускаемых NORD , Германия ; мотор-редуктору F604 / производства Bonfiglioli , Италия.
Если вы хотите купить цилиндрический редуктор DR574 , вы можете:
Позвонить:
Российская Федерация
+7 (495) 369-04-89
+7 (910) 726-725-4 (МТС) Смоленск
info@tech-privod.com
Республика Беларусь
+375 17 272-04-08 (т/ф) Минск
+375 29 61-787-61 (A1) Минск
+7 (495) 369-04-89
+7 (910) 726-725-4 (МТС) Смоленск
info@tech-privod.com
Республика Беларусь
+375 17 272-04-08 (т/ф) Минск
+375 29 61-787-61 (A1) Минск
