Цилиндрический редуктор DR283 6,5 об/мин ... 20 об/мин
6,5 об/мин ... 20 об/мин
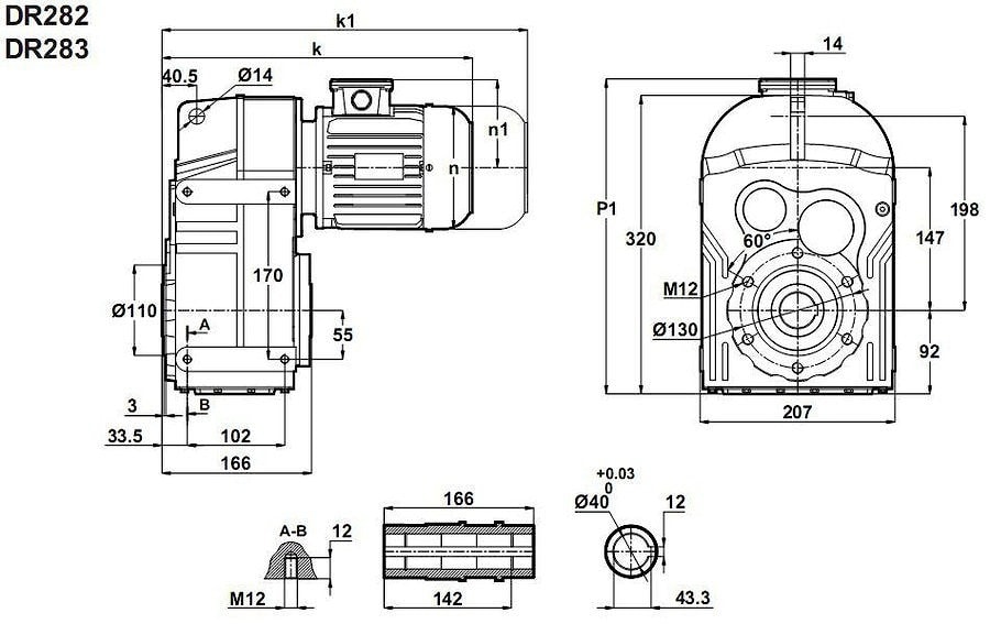
Цилиндрический мотор редуктор с параллельным валом DR283-71/4b и DR283-80/6а - трех ступенчатый редукторный механизм, который с помощью шестереночных зубчатых колес последовательно преображает угловую скорость, получаемую на входе, в устойчивое вращательное усилие на выходе 200Nm ... 500Nm, при подводимой мощности энергоустановки 0,25KW (0,25кВт) , скорость оборачиваемости входного вала в минуту : 6,6 ~ 19 об/мин.Предлагается ряд крепежно-присоединительных принадлежностей: полый и полно цельный вал , выходной фланец, зажимное устройство, реактивный рычаг и другое.
Условное обозначение
Каталог D-series
| Обороты на выходном валу | Крутящий момент на выходном валу | Передаточное число | Радиальные нагрузки на выходной вал | Сервис фактор | Тип редуктора | Масса |
| n2 (об/мин-1) | M2 (Нм) | i | Fr (Н) | fs | m (кг) | |
| 6,6 | 496 | 135,52 | 10992 | 1,2 | DR283-80/6а | 35 |
| 7,6 | 436 | 119,16 | 11818 | 1,4 | ||
| 8,0 | 411 | 112,15 | 12139 | 1,5 | ||
| 9,4 | 351 | 95,92 | 12829 | 1,7 | ||
| 10 | 320 | 135,52 | 13166 | 1,9 | DR283-71/4b | 33 |
| 12 | 282 | 119,16 | 13547 | 2,1 | ||
| 13 | 265 | 112,15 | 13702 | 2,3 | ||
| 15 | 227 | 95,92 | 14047 | 2,6 | ||
| 17 | 199 | 84,12 | 14281 | 3,0 | ||
| 19 | 176 | 74,36 | 14466 | 3,4 |

Вернуться к выбору мощностей
Мотор редуктор DR283 можно использовать как технический аналог мотор редукторов F313, F 31 3, F31 3 (выпускаемых Bonfiglioli /Италия).
Если вы хотите купить цилиндрический редуктор DR283 , вы можете:
Позвонить:
Российская Федерация
+7 (495) 369-04-89
+7 (910) 726-725-4 (МТС) Смоленск
info@tech-privod.com
Республика Беларусь
+375 17 272-04-08 (т/ф) Минск
+375 29 61-787-61 (A1) Минск
+7 (495) 369-04-89
+7 (910) 726-725-4 (МТС) Смоленск
info@tech-privod.com
Республика Беларусь
+375 17 272-04-08 (т/ф) Минск
+375 29 61-787-61 (A1) Минск
