Цилиндрический редуктор DR373 5,0 об/мин ... 13 об/мин
5,0 об/мин ... 13 об/мин
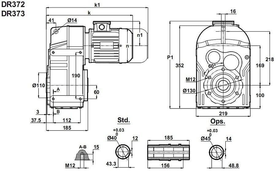
Шестереночная зубчатая передача DR373-71/4b и DR373-80/6a - электрический привод в составе с обще промышленным асинхронным однофазным , трехфазным электрическим двигателем общего назначения мощностью 0,37кВт (0,37/3000 , 0,37/1500 , 0,37 /900 , 0,37/750) и редукторный механизм с рядом передаточных отношений : i= 105 , i=120 , i=150 , i=170 , моменты вращательных передаваемых усилий : 250Нм - 600Нм.По умолчанию, трансмиссионное устройство заправлено заводской смазкой (по запросу).
Гарантия - 2 года.
Условное обозначение
Каталог D-series
| Обороты на выходном валу | Крутящий момент на выходном валу | Передаточное число | Радиальные нагрузки на выходной вал | Сервис фактор | Тип редуктора | Масса |
| n2 (об/мин-1) | M2 (Нм) | i | Fr (Н) | fs | m (кг) | |
| 5,2 | 627 | 171,89 | 14500 | 1,3 | DR373-80/6a | 73 |
| 6,0 | 552 | 151,15 | 15302 | 1,5 | ||
| 7,4 | 444 | 121,67 | 16314 | 1,8 | ||
| 8,1 | 405 | 171,89 | 16657 | 2,0 | DR373-71/4b | 70 |
| 9,3 | 357 | 151,15 | 17046 | 2,3 | ||
| 12 | 287 | 121,67 | 17562 | 2,9 | ||
| 13 | 252 | 106,69 | 17806 | 3,3 |

Вернуться к выбору мощностей
Мотор-редуктор DR373 - является полным аналогом мотор-редуктор TNC33 производства Tos-Znojmo , Чехия ; MPD80 и MPD80/3 / производства Siti , Италия ; как технический аналог мотор-редуктор можно рассматривать к моделям MPL100 и MPL100/3 / производства Siti , Италия ; S083 / производства Motovario , Италия ; SK3382 /производства Nord , Германия ; F413 / производства Bonfiglioli , Италия , ZF100B и ZF100C / производства Tramec , Италия .
Редуктор DT373 является аналогом редукторов PL100- , PL100/3 , PD80- , PD80/3 производства Siti / Италия ; ZA100B , ZA100C производства Tramec / Италия .
Если вы хотите купить цилиндрический редуктор DR373 , вы можете:
Позвонить:
Российская Федерация
+7 (495) 369-04-89
+7 (910) 726-725-4 (МТС) Смоленск
info@tech-privod.com
Республика Беларусь
+375 17 272-04-08 (т/ф) Минск
+375 29 61-787-61 (A1) Минск
+7 (495) 369-04-89
+7 (910) 726-725-4 (МТС) Смоленск
info@tech-privod.com
Республика Беларусь
+375 17 272-04-08 (т/ф) Минск
+375 29 61-787-61 (A1) Минск
