Цилиндрический редуктор DR473 3,5 об/мин ... 7,0 об/мин
3,5 об/мин ... 7,0 об/мин
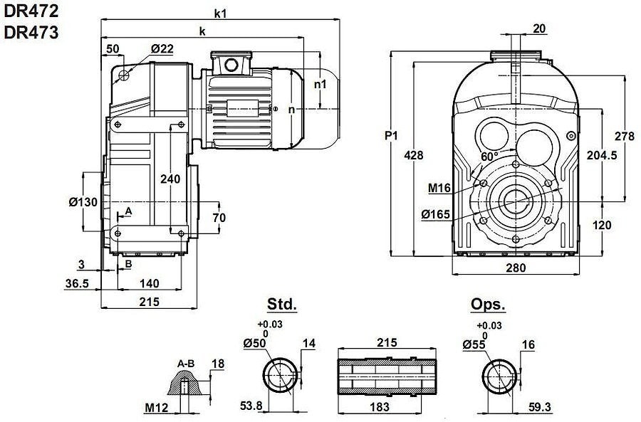
DR473-71/4b и DR473-80/6a - четвертая габаритная величина трехступенчатый цилиндрического мотор-редуктора с параллельными валами модели DR, разработанного для совместного использования с электродвигателем обще промышленного назначения номинальной мощностью 0,37 киловатт, (380V, возможена комплектация напряжением - 220V) , редукторную часть считается эффективным эксплуатировать для получения выходных оборотов: 3,7об/мин ... 6,5об/мин.Причем, крутящие моменты на конце выходного вала: 500Нм ~ 900Нм.
Гарантийный срок - 24 месяца.
Условное обозначение
Каталог D-series
| Обороты на выходном валу | Крутящий момент на выходном валу | Передаточное число | Радиальные нагрузки на выходной вал | Сервис фактор | Тип редуктора | Масса |
| n2 (об/мин-1) | M2 (Нм) | i | Fr (Н) | fs | m (кг) | |
| 3,7 | 889 | 242,68 | 23468 | 1,7 | DR473-80/6a | 111 |
| 4,2 | 787 | 215,03 | 24201 | 2,0 | ||
| 5,1 | 642 | 174,97 | 25164 | 2,4 | ||
| 5,8 | 573 | 242,68 | 25583 | 2,7 | DR473-71/4b | 108 |
| 6,5 | 508 | 215,03 | 25966 | 3,1 |

Вернуться к выбору мощностей
Мотор-редуктор DR473 - является полным аналогом мотор-редуктор TNC43 / производства Tos-Znojmo , Чехия ; как технический аналог мотор-редуктор можно рассматривать к моделям MPD100 и MPD100/3 / производства Siti , Италия ; S103 / производства Motovario , Италия ; SK4382 /производства Nord , Германия ; F513 / производства Bonfiglioli , Италия , ZF125B и ZF125C / производства Tramec , Италия .
Редуктор DT473 является аналогом редукторов PL100- , PL100/3 производства Siti / Италия ; ZA125B , ZA125C производства Tramec / Италия.
Если вы хотите купить цилиндрический редуктор DR473 , вы можете:
Позвонить:
Российская Федерация
+7 (495) 369-04-89
+7 (910) 726-725-4 (МТС) Смоленск
info@tech-privod.com
Республика Беларусь
+375 17 272-04-08 (т/ф) Минск
+375 29 61-787-61 (A1) Минск
+7 (495) 369-04-89
+7 (910) 726-725-4 (МТС) Смоленск
info@tech-privod.com
Республика Беларусь
+375 17 272-04-08 (т/ф) Минск
+375 29 61-787-61 (A1) Минск
